Запчасти Komatsu SAA6D107E-1D ВЫПУСКН. ГЛУШИТЕЛЬ И МОНТАЖНЫЙ КАРКАС (№7-) ВЫПУСКН. ГЛУШИТЕЛЬ И МОНТАЖНЫЙ КАРКАС

Схема запчастей Komatsu SAA6D107E-1D - ВЫПУСКН. ГЛУШИТЕЛЬ И МОНТАЖНЫЙ КАРКАС (№7-) ВЫПУСКН. ГЛУШИТЕЛЬ И МОНТАЖНЫЙ КАРКАС
27
28
26
25
15
14
24
11
17
19
3
18
2
5
5
1
7
20
21
22
23
16
10
6
9
8
4
13
12
27
28
26
25
15
14
24
11
17
19
3
18
2
5
5
1
7
20
21
22
23
16
10
6
9
8
4
13
12
FIT
1:1
100%

Артикул

Название

Примечание

Количество

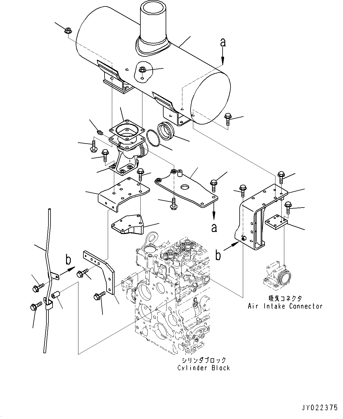
1

6754-11-5210

Muffler

SN: 26537463-UP

1шт.

2

6151-11-5751

Gasket

SN: 26537463-UP

1шт.

3

01435-01035

Bolt

SN: 26537463-UP

2шт.

4

01435-01050

Bolt

SN: 26537463-UP

2шт.

5

01584-01008

Nut

SN: 26537463-UP

4шт.

6

6754-11-5511

Bracket

SN: 26537463-UP

1шт.

7

01435-01025

Bolt

SN: 26537463-UP

2шт.

8

6754-11-5530

Plate

SN: 26537463-UP

1шт.

9

01435-00830

Bolt

SN: 26537463-UP

4шт.

10

01435-00845

Bolt

SN: 26537463-UP

2шт.

11

6754-11-6110

Bracket

SN: 26584724-UP

1шт.

11

6754-11-5661

Bracket

SN: 26537463-26584723

1шт.

12

6754-11-5690

Spacer

SN: 26537463-UP

1шт.

13

01435-01075

Bolt

SN: 26537463-UP

2шт.

14

6754-11-5670

Bracket

SN: 26537463-UP

1шт.

15

6754-11-5980

Bolt

SN: 26537463-UP

2шт.

16

01435-01025

Bolt

SN: 26537463-UP

2шт.

17

6754-11-5610

Elbow

SN: 26537463-UP

1шт.

18

07042-20108

Plug

SN: 26537463-UP

1шт.

19

01435-01035

Bolt

SN: 26537463-UP

4шт.

20

6137-11-5291

Seal Ring

SN: 26537463-UP

1шт.

21

6754-11-5620

Tube

SN: 26537463-UP

1шт.

22

6754-11-5680

Bracket

SN: 26537463-UP

1шт.

23

01435-01035

Bolt

SN: 26537463-UP

2шт.

24

01435-01025

Bolt

SN: 26537463-UP

2шт.

25

6754-11-5460

Tube

SN: 26537463-UP

1шт.

26

01435-00820

Bolt

SN: 26537463-UP

1шт.

27

01435-00850

Bolt

SN: 26537463-UP

1шт.

28

6150-81-6920

Spacer

SN: 26537463-UP

1шт.

1

6754-11-5210

Muffler

SN: 26537463-UP

1шт.

2

6151-11-5751

Gasket

SN: 26537463-UP

1шт.

3

01435-01035

Bolt

SN: 26537463-UP

2шт.

4

01435-01050

Bolt

SN: 26537463-UP

2шт.

5

01584-01008

Nut

SN: 26537463-UP

4шт.

6

6754-11-5511

Bracket

SN: 26537463-UP

1шт.

7

01435-01025

Bolt

SN: 26537463-UP

2шт.

8

6754-11-5530

Plate

SN: 26537463-UP

1шт.

9

01435-00830

Bolt

SN: 26537463-UP

4шт.

10

01435-00845

Bolt

SN: 26537463-UP

2шт.

11

6754-11-6110

Bracket

SN: 26584724-UP

1шт.

11

6754-11-5661

Bracket

SN: 26537463-26584723

1шт.

12

6754-11-5690

Spacer

SN: 26537463-UP

1шт.

13

01435-01075

Bolt

SN: 26537463-UP

2шт.

14

6754-11-5670

Bracket

SN: 26537463-UP

1шт.

15

6754-11-5980

Bolt

SN: 26537463-UP

2шт.

16

01435-01025

Bolt

SN: 26537463-UP

2шт.

17

6754-11-5610

Elbow

SN: 26537463-UP

1шт.

18

07042-20108

Plug

SN: 26537463-UP

1шт.

19

01435-01035

Bolt

SN: 26537463-UP

4шт.

20

6137-11-5291

Seal Ring

SN: 26537463-UP

1шт.

21

6754-11-5620

Tube

SN: 26537463-UP

1шт.

22

6754-11-5680

Bracket

SN: 26537463-UP

1шт.

23

01435-01035

Bolt

SN: 26537463-UP

2шт.

24

01435-01025

Bolt

SN: 26537463-UP

2шт.

25

6754-11-5460

Tube

SN: 26537463-UP

1шт.

26

01435-00820

Bolt

SN: 26537463-UP

1шт.

27

01435-00850

Bolt

SN: 26537463-UP

1шт.

28

6150-81-6920

Spacer

SN: 26537463-UP

1шт.

Выбрано товаров: 58