Запчасти Komatsu SAA6D107E-1D-W КРЕПЛЕНИЕ ГЕНЕРАТОРА (ДЛЯ ГЕНЕРАТОРА 90А)(№-) ДВИГАТЕЛЬ

Схема запчастей Komatsu SAA6D107E-1D-W - КРЕПЛЕНИЕ ГЕНЕРАТОРА (ДЛЯ ГЕНЕРАТОРА 90А)(№-) ДВИГАТЕЛЬ
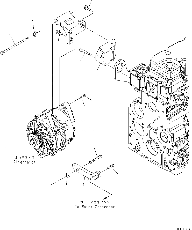
1
2
3
4
5
6
7
8
9
10
11
12
13
14
1
2
3
4
5
6
7
8
9
10
11
12
13
14
FIT
1:1
100%

Артикул

Название

Примечание

Количество

1

6754-81-6910

SUPPORT

SN: 26503124-UP

1шт.

2

6732-61-6150

BOLT

SN: 26503124-UP

4шт.

3

6741-81-6520

BRACKET

SN: 26503124-UP

1шт.

4

6735-61-3810

BOLT

SN: 26503124-UP

2шт.

5

6735-71-3220

BOLT

SN: 26503124-UP

1шт.

6

6732-81-6840

BOLT

SN: 26503124-UP

1шт.

7

6732-81-6880

WASHER

SN: 26503124-UP

1шт.

8

01641-21223

WASHER

SN: 26503124-UP

1шт.

9

01582-11210

NUT

SN: 26503124-UP

1шт.

10

6754-81-6160

PLATE

SN: 26503124-UP

1шт.

11

6732-22-3110

BOLT

SN: 26503124-UP

2шт.

12

6150-81-6960

SPACER

SN: 26503124-UP

1шт.

13

6754-81-6280

BOLT

SN: 26533813-UP

1шт.

13

01050-51250

BOLT

SN: 26503124-26533812

1шт.

14

01643-31232

WASHER

SN: 26503124-UP

1шт.

1

6754-81-6910

SUPPORT

SN: 26503124-UP

1шт.

2

6732-61-6150

BOLT

SN: 26503124-UP

4шт.

3

6741-81-6520

BRACKET

SN: 26503124-UP

1шт.

4

6735-61-3810

BOLT

SN: 26503124-UP

2шт.

5

6735-71-3220

BOLT

SN: 26503124-UP

1шт.

6

6732-81-6840

BOLT

SN: 26503124-UP

1шт.

7

6732-81-6880

WASHER

SN: 26503124-UP

1шт.

8

01641-21223

WASHER

SN: 26503124-UP

1шт.

9

01582-11210

NUT

SN: 26503124-UP

1шт.

10

6754-81-6160

PLATE

SN: 26503124-UP

1шт.

11

6732-22-3110

BOLT

SN: 26503124-UP

2шт.

12

6150-81-6960

SPACER

SN: 26503124-UP

1шт.

13

6754-81-6280

BOLT

SN: 26533813-UP

1шт.

13

01050-51250

BOLT

SN: 26503124-26533812

1шт.

14

01643-31232

WASHER

SN: 26503124-UP

1шт.

Выбрано товаров: 30