Запчасти Komatsu SAA6D107E-1DA ТОПЛИВН. ФИЛЬТР. ДВИГАТЕЛЬ

Схема запчастей Komatsu SAA6D107E-1DA - ТОПЛИВН. ФИЛЬТР. ДВИГАТЕЛЬ
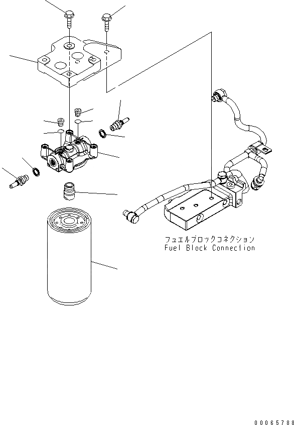
1
2
3
3
4
4
5
5
6
7
8
9
9
10
FIT
1:1
100%

Артикул

Название

Примечание

Количество

1

6732-61-6140

BOLT

SN: .-UP

3шт.

2

6735-61-2120

BOLT

SN: .-UP

4шт.

3

6754-71-5340

CONNECTOR,QUICK DISCONNECT

SN: .-UP

2шт.

|$3

6754-71-6301

FILTER ASS'Y,FUEL

SN: .-UP

1шт.

|$5

6732-21-1960

PLUG ASS'Y,THREADED

SN: .-UP

2шт.

4

0

PLUG,THREADED

SN: .-UP

1шт.

5

6215-81-9710

O-RING,SEAL

SN: .-UP

1шт.

6

6754-71-6320

HEAD,FUEL FILTER

SN: .-UP

1шт.

7

6754-71-6330

ADAPTER,FILTER HEAD

SN: .-UP

1шт.

8

6754-79-6140

CARTRIDGE,FUEL

SN: .-UP

1шт.

9

6754-71-5350

WASHER,SEALING

SN: .-UP

2шт.

10

6754-71-5440

SUPPORT,FILTER

SN: .-UP

1шт.

Выбрано товаров: 12