Запчасти Komatsu SAA6D107E-1E-W ТУРБОНАГНЕТАТЕЛЬ(№8-) ДВИГАТЕЛЬ

Схема запчастей Komatsu SAA6D107E-1E-W - ТУРБОНАГНЕТАТЕЛЬ(№8-) ДВИГАТЕЛЬ
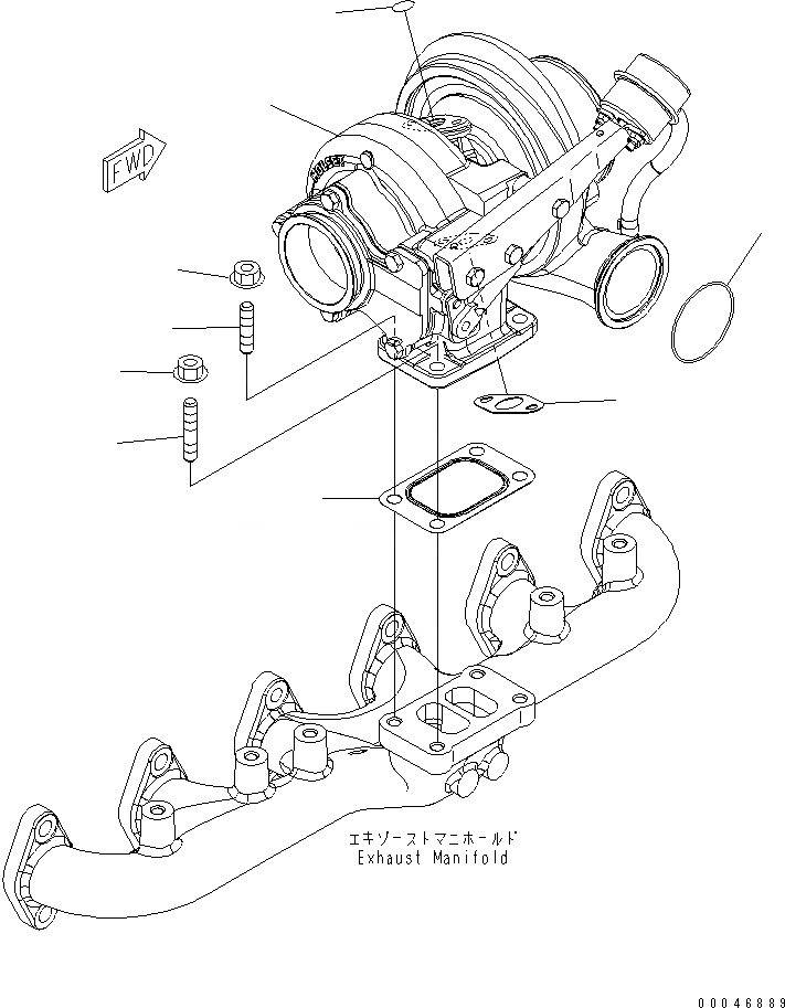
1
2
3
3
4
5
6
7
8
FIT
1:1
100%

Артикул

Название

Примечание

Количество

1

6732-81-8810

STUD

SN: 26500048-UP

2шт.

2

6738-82-8810

STUD

SN: 26500048-UP

2шт.

3

6732-81-8820

NUT

SN: 26500048-UP

4шт.

|$4

6754-81-8170

TURBOCHARGER KIT

SN: 26500048-UP

1шт.

4

0

TURBOCHARGER

SN: 26500048-UP

1шт.

5

6754-51-8121

GASKET

SN: 26500260-UP

1шт.

5

6754-51-8120

GASKET

SN: 26500048-26500259

1шт.

6

6754-81-8710

GASKET

SN: 26500048-UP

1шт.

7

6738-11-4370

O-RING

SN: 26500048-UP

1шт.

8

6736-51-8710

O-RING

SN: 26500048-UP

1шт.

Выбрано товаров: 10