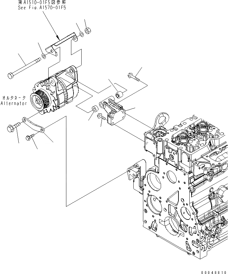
Запчасти Komatsu SAA6D107E-1E-W КРЕПЛЕНИЕ ГЕНЕРАТОРА (ДЛЯ A ЗАЩИТН. ГЕНЕРАТОР) ДВИГАТЕЛЬ

Схема запчастей Komatsu SAA6D107E-1E-W - КРЕПЛЕНИЕ ГЕНЕРАТОРА (ДЛЯ A ЗАЩИТН. ГЕНЕРАТОР) ДВИГАТЕЛЬ
1
2
3
4
5
5
6
7
8
9
10
11
FIT
1:1
100%

Артикул

Название

Примечание

Количество

1

6754-81-6140

SUPPORT ASS'Y

SN: 26500006-UP

1шт.

2

6742-01-2441

BOLT

SN: 26500006-UP

1шт.

3

6732-61-3110

BOLT

SN: 26500006-UP

3шт.

4

6207-81-6980

BOLT

SN: 26500006-UP

1шт.

5

01641-21223

WASHER,FLAT

SN: 26500006-UP

2шт.

6

6732-81-6490

SPACER

SN: 26500006-UP

1шт.

7

6732-81-6530

SPACER

SN: 26500006-UP

1шт.

8

01580-11210

NUT

SN: 26500006-UP

1шт.

9

6754-81-6150

BRACKET

SN: 26500006-UP

1шт.

10

01435-61025

BOLT

SN: 26588897-UP

1шт.

10

6735-71-3220

BOLT

SN: 26500006-26588896

1шт.

11

01050-31230

BOLT

SN: 26500006-UP

1шт.

Выбрано товаров: 12