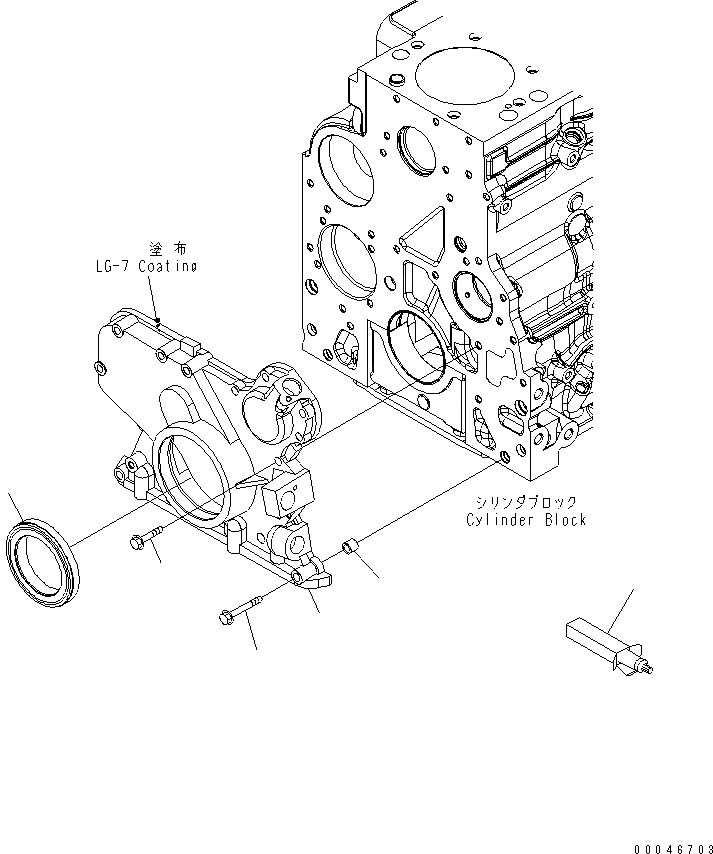
Запчасти Komatsu SAA6D107E-1E-W1 ПЕРЕДН. ПРИВОД COVER ДВИГАТЕЛЬ

Схема запчастей Komatsu SAA6D107E-1E-W1 - ПЕРЕДН. ПРИВОД COVER ДВИГАТЕЛЬ
1
2
3
4
5
6
FIT
1:1
100%

Артикул

Название

Примечание

Количество

1

6754-21-6211

COVER,FRONT

SN: 26500421-UP

1шт.

1

0

COVER,FRONT

SN: 26500006-26500420

1шт.

2

6754-21-6220

RING

SN: 26500006-UP

2шт.

3

6735-61-2120

BOLT

SN: 26500006-UP

6шт.

4

6732-21-6630

BOLT

SN: 26500006-UP

7шт.

5

6754-21-6230

SEAL

SN: 26500006-UP

1шт.

6

09920-00150

LIQUID GASKET,LG-7, 150G

SN: 26500006-UP

-2шт.

Выбрано товаров: 7