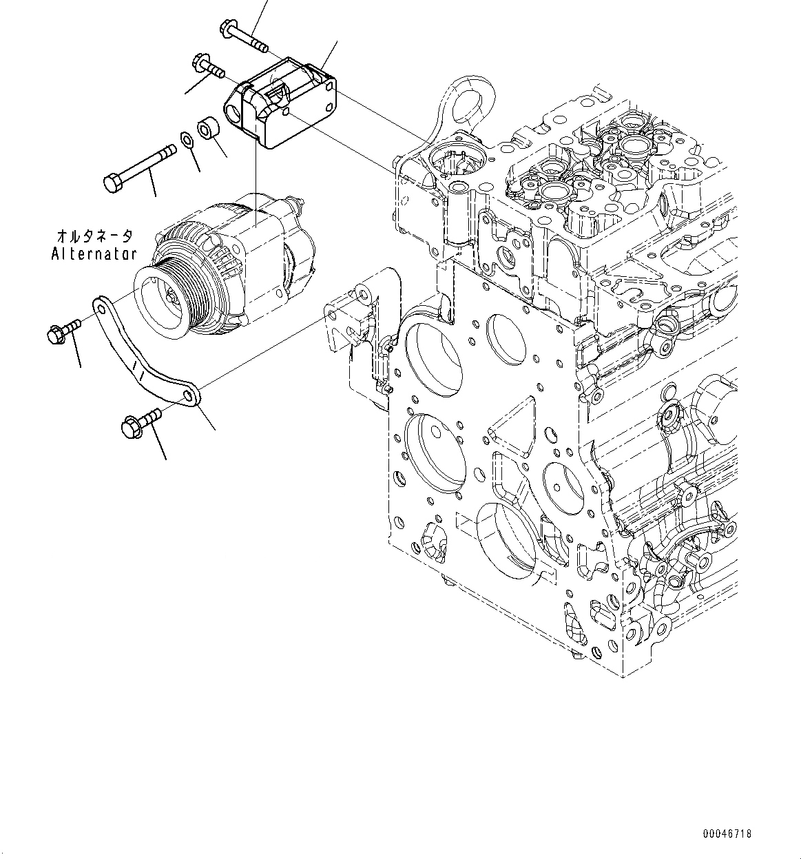
Запчасти Komatsu SAA6D107E-1F КРЕПЛЕНИЕ ГЕНЕРАТОРА (№78-) КРЕПЛЕНИЕ ГЕНЕРАТОРА, AMP

Схема запчастей Komatsu SAA6D107E-1F - КРЕПЛЕНИЕ ГЕНЕРАТОРА (№78-) КРЕПЛЕНИЕ ГЕНЕРАТОРА, AMP
3
2
6
5
8
1
9
7
4
3
2
6
5
8
1
9
7
4
FIT
1:1
100%

Артикул

Название

Примечание

Количество

|$0

6754-81-6110

Support Assembly

SN: 26537218-UP

1шт.

1

6754-81-6120

Support

SN: 26537218-UP

1шт.

2

6732-81-6630

Spacer

SN: 26537218-UP

1шт.

3

6732-21-6630

Screw

SN: 26537218-UP

1шт.

4

6736-11-4460

Bolt

SN: 26537218-UP

2шт.

5

01018-31095

Bolt

SN: 26537218-UP

1шт.

6

01641-01016

Washer, Flat

SN: 26537218-UP

1шт.

7

6754-81-6130

Bracket

SN: 26537218-UP

1шт.

8

01435-61025

Bolt

SN: 26589258-UP

1шт.

8

6735-71-3220

Bolt

SN: 26537218-26589257

1шт.

9

6732-21-5160

Bolt

SN: 26537218-UP

1шт.

Выбрано товаров: 11