Запчасти Komatsu SAA6D107E-1F ТЕРМОЗАЩИТА (№78-) ТЕРМОЗАЩИТА

Схема запчастей Komatsu SAA6D107E-1F - ТЕРМОЗАЩИТА (№78-) ТЕРМОЗАЩИТА
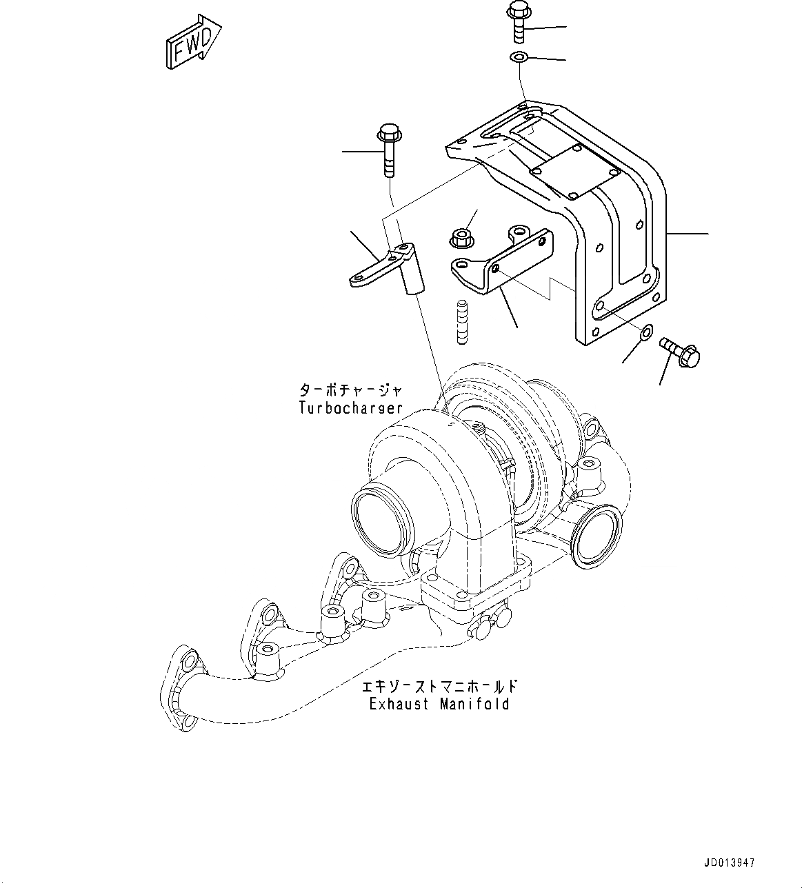
7
1
2
6
6
7
4
5
3
7
1
2
6
6
7
4
5
3
FIT
1:1
100%

Артикул

Название

Примечание

Количество

1

6738-81-8450

Bracket

SN: 26537218-UP

1шт.

2

6732-81-8820

Nut

SN: 26537218-UP

2шт.

3

6754-81-8410

Bracket

SN: 26537218-UP

1шт.

4

01435-00845

Bolt

SN: 26537218-UP

1шт.

5

6732-81-8412

Cover

SN: 26537218-UP

1шт.

6

01435-00816

Bolt

SN: 26537218-UP

4шт.

7

154-61-16570

Washer

SN: 26537218-UP

4шт.

Выбрано товаров: 7