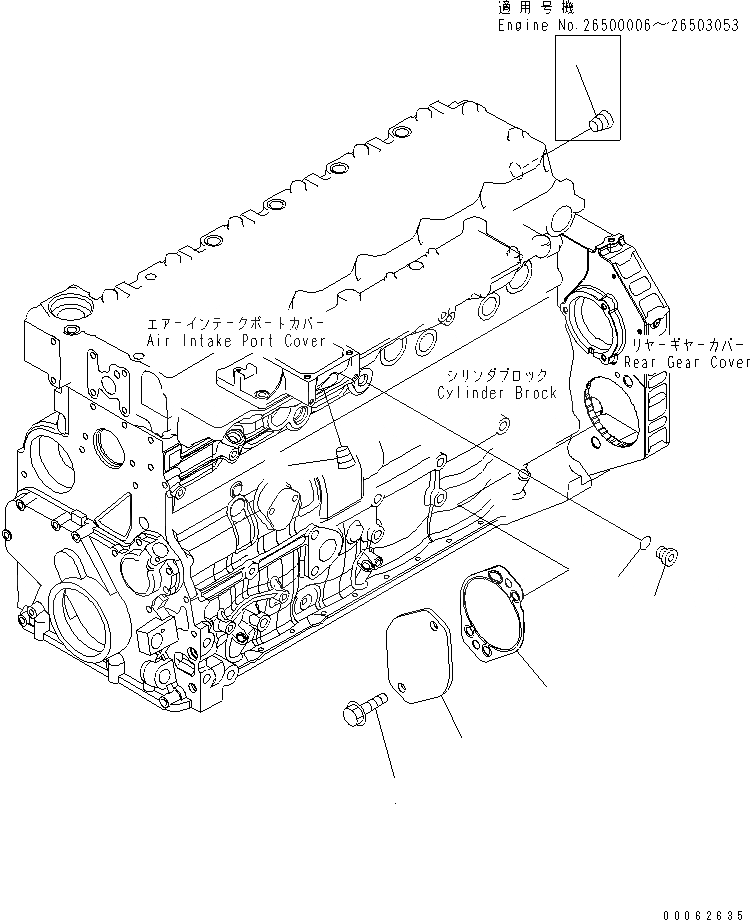
Запчасти Komatsu SAA6D107E-1H ЗАДН. ПРИВОД КРЫШКАФИТТИНГ ЧАСТИ ДВИГАТЕЛЬ

Схема запчастей Komatsu SAA6D107E-1H - ЗАДН. ПРИВОД КРЫШКАФИТТИНГ ЧАСТИ ДВИГАТЕЛЬ
1
2
3
4
4
5
6
FIT
1:1
100%

Артикул

Название

Примечание

Количество

1

6732-51-5130

BOLT

SN: 26502468-UP

2шт.

|$2

0

BOLT

SN: 26500006-26502467

2шт.

2

6754-21-9110

PLATE

SN: 26500006-UP

1шт.

3

6754-21-9120

GASKET

SN: 26500006-UP

1шт.

4

6732-11-1920

PLUG

SN: 26503054-UP

1шт.

|$6

0

PLUG

SN: 26500006-26503053

2шт.

|$7

6216-14-6830

PLUG ASS'Y

SN: 26500006-UP

1шт.

5

6216-14-6890

PLUG

SN: 26500006-UP

1шт.

6

6216-14-6840

SEAL

SN: 26500006-UP

1шт.

Выбрано товаров: 9