Запчасти Komatsu SAA6D107E-1H ВПУСК ВОЗДУХА СОЕДИН-Е(№7-) ДВИГАТЕЛЬ

Схема запчастей Komatsu SAA6D107E-1H - ВПУСК ВОЗДУХА СОЕДИН-Е(№7-) ДВИГАТЕЛЬ
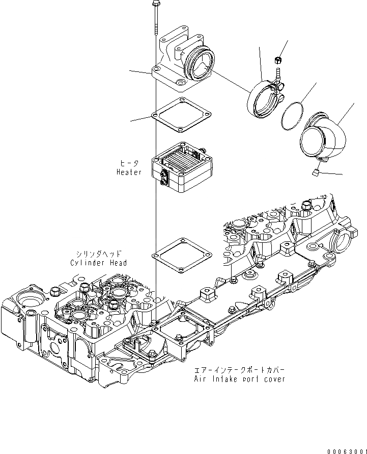
1
2
3
4
5
6
7
FIT
1:1
100%

Артикул

Название

Примечание

Количество

1

6754-11-4310

CONNECTOR

SN: 26506237-UP

1шт.

2

6754-11-4120

GASKET

SN: 26506237-UP

1шт.

3

6738-11-4320

PIPE

SN: 26506237-UP

1шт.

4

07043-70108

PLUG

SN: 26506237-UP

1шт.

5

6738-11-4370

O-RING

SN: 26506237-UP

1шт.

6

6738-11-4380

CLAMP

SN: 26506237-UP

1шт.

7

6738-11-4390

NUT

SN: 26506237-UP

1шт.

Выбрано товаров: 7