Запчасти Komatsu SAA6D107E-1H МАСЛ. ЩУП (№7-) МАСЛ. ЩУП

Схема запчастей Komatsu SAA6D107E-1H - МАСЛ. ЩУП (№7-) МАСЛ. ЩУП
2
3
1
1
2
3
1
1
FIT
1:1
100%

Артикул

Название

Примечание

Количество

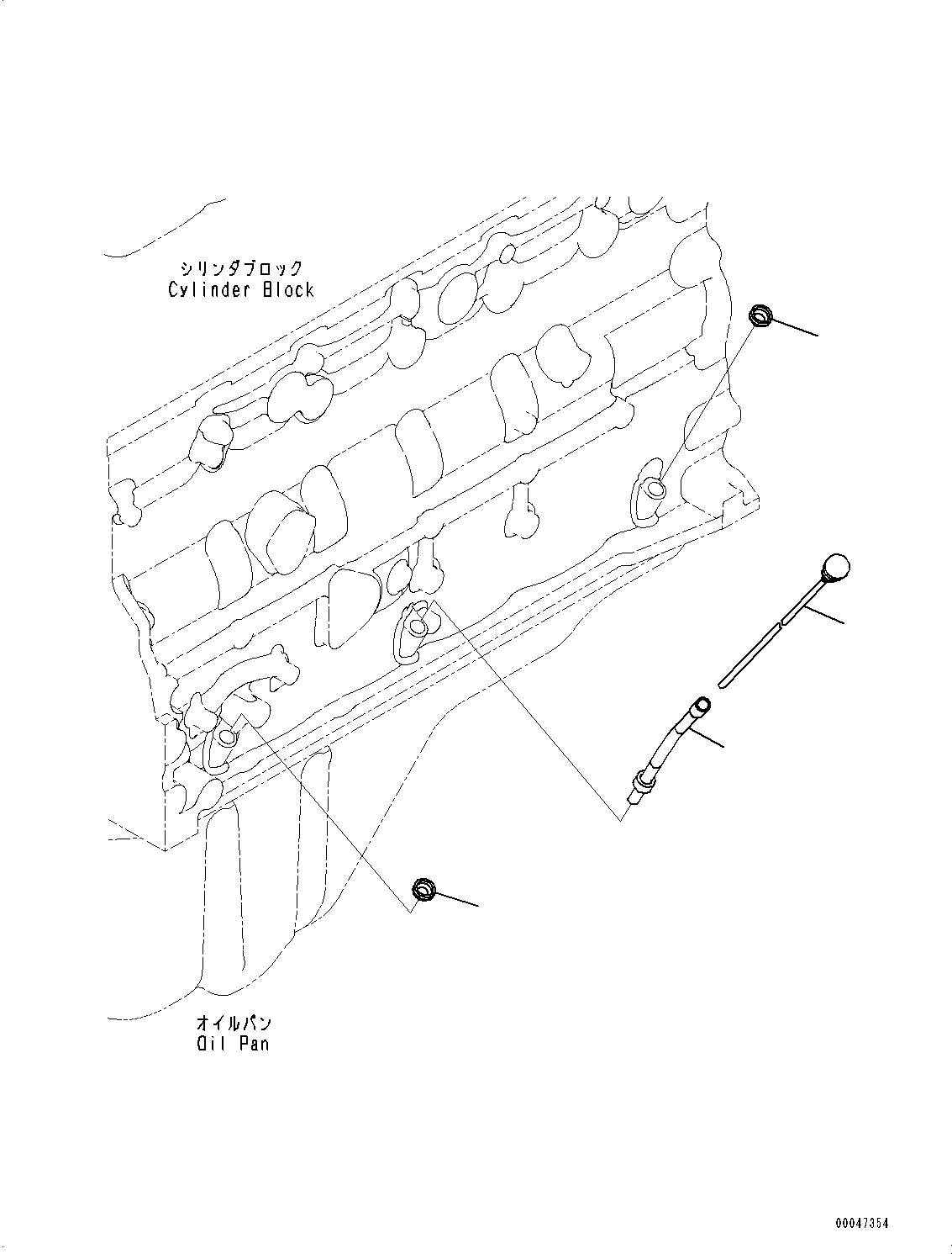
1

6732-21-5530

Plug

SN: 26506237-UP

4шт.

2

6754-21-5411

Guide

SN: 26509860-UP

1шт.

2

6754-21-5410

Guide

SN: 26506237-26509859

1шт.

3

6754-21-5420

Gauge

SN: 26506237-UP

1шт.

1

6732-21-5530

Plug

SN: 26506237-UP

4шт.

2

6754-21-5411

Guide

SN: 26509860-UP

1шт.

2

6754-21-5410

Guide

SN: 26506237-26509859

1шт.

3

6754-21-5420

Gauge

SN: 26506237-UP

1шт.

Выбрано товаров: 0