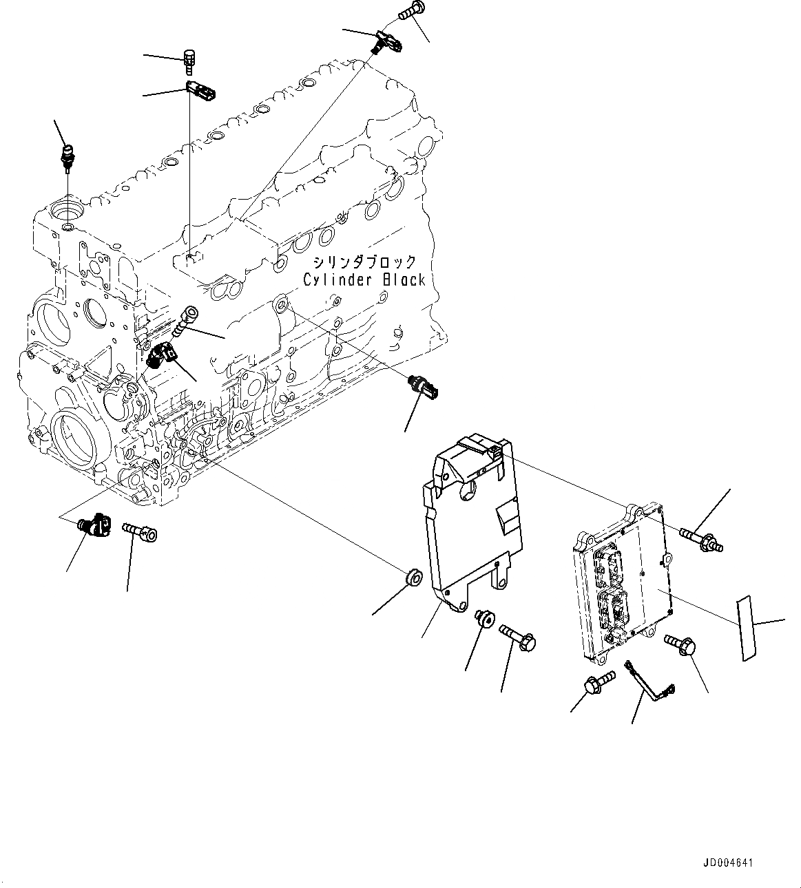
Запчасти Komatsu SAA6D107E-1J ТОПЛИВН. ВПРЫСК КОНТРОЛЛЕР КОМПОНЕНТЫ ТОПЛИВН. ВПРЫСК КОНТРОЛЛЕР КОМПОНЕНТЫ

Схема запчастей Komatsu SAA6D107E-1J - ТОПЛИВН. ВПРЫСК КОНТРОЛЛЕР КОМПОНЕНТЫ ТОПЛИВН. ВПРЫСК КОНТРОЛЛЕР КОМПОНЕНТЫ
16
12
13
14
15
10
9
11
9
10
1
2
1
3
8
7
5
4
6
16
12
13
14
15
10
9
11
9
10
1
2
1
3
8
7
5
4
6
FIT
1:1
100%

Артикул

Название

Примечание

Количество

1

6754-81-9470

Isolator, Vibration

SN: H00059-H00256

3шт.

2

6754-81-9460

Bracket, Etrcnt Module

SN: H00059-H00256

1шт.

3

6735-61-2120

Bolt

SN: H00059-H00256

3шт.

4

6754-81-9160

Bolt

SN: H00059-H00256

3шт.

5

6732-61-3110

Bolt

SN: H00059-H00256

2шт.

6

6216-84-2130

Plate

SN: H00059-H00256

1шт.

7

6754-81-9170

Wire

SN: H00059-H00256

1шт.

8

6216-74-6180

Bolt

SN: H00059-H00256

1шт.

9

6271-81-9201

Sensor Assembly, Speed

SN: H00059-H00256

2шт.

9

6261-81-2920

O-Ring

SN: H00059-H00256

1шт.

10

6216-84-9220

Bolt

SN: H00059-H00256

2шт.

11

6744-81-4010

Switch

SN: H00059-H00256

1шт.

11

6219-81-1990

O-Ring

SN: H00059-H00256

1шт.

12

6261-81-1900

Sensor

SN: H00059-H00256

1шт.

13

6734-71-5520

Bolt

SN: H00059-H00256

1шт.

14

6754-81-2701

Sensor

SN: H00059-H00256

1шт.

14

6754-81-2710

O-Ring

SN: H00059-H00256

1шт.

15

6754-81-9180

Screw

SN: H00059-H00256

1шт.

16

6261-81-6901

Sensor Assembly

SN: H00059-H00256

1шт.

16

6216-84-9740

Seal

SN: H00059-H00256

1шт.

1

6754-81-9470

Isolator, Vibration

SN: H00059-H00256

3шт.

2

6754-81-9460

Bracket, Etrcnt Module

SN: H00059-H00256

1шт.

3

6735-61-2120

Bolt

SN: H00059-H00256

3шт.

4

6754-81-9160

Bolt

SN: H00059-H00256

3шт.

5

6732-61-3110

Bolt

SN: H00059-H00256

2шт.

6

6216-84-2130

Plate

SN: H00059-H00256

1шт.

7

6754-81-9170

Wire

SN: H00059-H00256

1шт.

8

6216-74-6180

Bolt

SN: H00059-H00256

1шт.

9

6271-81-9201

Sensor Assembly, Speed

SN: H00059-H00256

2шт.

9

6261-81-2920

O-Ring

SN: H00059-H00256

1шт.

10

6216-84-9220

Bolt

SN: H00059-H00256

2шт.

11

6744-81-4010

Switch

SN: H00059-H00256

1шт.

11

6219-81-1990

O-Ring

SN: H00059-H00256

1шт.

12

6261-81-1900

Sensor

SN: H00059-H00256

1шт.

13

6734-71-5520

Bolt

SN: H00059-H00256

1шт.

14

6754-81-2701

Sensor

SN: H00059-H00256

1шт.

14

6754-81-2710

O-Ring

SN: H00059-H00256

1шт.

15

6754-81-9180

Screw

SN: H00059-H00256

1шт.

16

6261-81-6901

Sensor Assembly

SN: H00059-H00256

1шт.

16

6216-84-9740

Seal

SN: H00059-H00256

1шт.

Выбрано товаров: 40