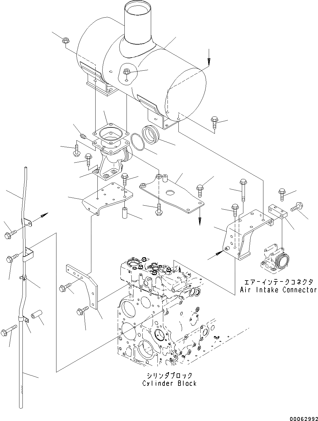
Запчасти Komatsu SAA6D107E-1J ВЫПУСКН. ГЛУШИТЕЛЬ И МОНТАЖНЫЙ КАРКАС ВЫПУСКН. ГЛУШИТЕЛЬ И МОНТАЖНЫЙ КАРКАС

Схема запчастей Komatsu SAA6D107E-1J - ВЫПУСКН. ГЛУШИТЕЛЬ И МОНТАЖНЫЙ КАРКАС ВЫПУСКН. ГЛУШИТЕЛЬ И МОНТАЖНЫЙ КАРКАС
1
2
3
5
4
5
11
12
14
26
17
18
19
20
22
21
23
24
27
27
32
29
28
30
7
13
10
9
6
8
16
15
25
31
a
a
b
b
1
2
3
5
4
5
11
12
14
26
17
18
19
20
22
21
23
24
27
27
32
29
28
30
7
13
10
9
6
8
16
15
25
31
a
a
b
b
FIT
1:1
100%

Артикул

Название

Примечание

Количество

1

6754-11-5220

Muffler

SN: H62051-UP

1шт.

2

6151-11-5751

Gasket

SN: H62051-UP

1шт.

3

01435-01035

Bolt

SN: H62051-UP

2шт.

4

01435-01050

Bolt

SN: H62051-UP

2шт.

5

01584-01008

Nut

SN: H62051-UP

4шт.

6

6754-11-5550

Bracket

SN: H62051-UP

1шт.

7

01435-01095

Bolt

SN: H62051-UP

1шт.

8

01435-01025

Bolt

SN: H62051-UP

1шт.

9

6754-11-5560

Plate

SN: H62051-UP

1шт.

10

01435-01040

Bolt

SN: H62051-UP

2шт.

11

01435-00845

Bolt

SN: H62051-UP

2шт.

12

6754-11-5570

Bracket

SN: H62051-UP

1шт.

13

6152-51-5520

Spacer

SN: H62051-UP

2шт.

14

01435-01075

Bolt

SN: H62051-UP

2шт.

15

6754-11-5670

Bracket

SN: H62051-UP

1шт.

16

6754-11-5980

Bolt

SN: H62051-UP

2шт.

17

01435-01025

Bolt

SN: H62051-UP

2шт.

18

6754-11-5610

Elbow

SN: H62051-UP

1шт.

19

07042-20108

Plug

SN: H62051-UP

1шт.

20

01435-01025

Bolt

SN: H62051-UP

4шт.

21

6137-11-5291

Seal Ring

SN: H62051-UP

1шт.

22

6754-11-5620

Tube

SN: H62051-UP

1шт.

23

6754-11-5590

Bracket

SN: H62051-UP

1шт.

24

01435-01035

Bolt

SN: H62051-UP

2шт.

25

01435-01025

Bolt

SN: H62051-UP

2шт.

26

6754-11-5470

Tube

SN: H62051-UP

1шт.

27

01435-00814

Bolt

SN: H62051-UP

2шт.

28

07260-20980

Hose

SN: H62051-UP

1шт.

29

07285-00155

Clip

SN: H62051-UP

1шт.

30

04434-51612

Clip

SN: H62051-UP

1шт.

31

01435-01280

Bolt

SN: H62051-UP

1шт.

32

6164-91-6290

Spacer

SN: H62051-UP

1шт.

1

6754-11-5220

Muffler

SN: H62051-UP

1шт.

2

6151-11-5751

Gasket

SN: H62051-UP

1шт.

3

01435-01035

Bolt

SN: H62051-UP

2шт.

4

01435-01050

Bolt

SN: H62051-UP

2шт.

5

01584-01008

Nut

SN: H62051-UP

4шт.

6

6754-11-5550

Bracket

SN: H62051-UP

1шт.

7

01435-01095

Bolt

SN: H62051-UP

1шт.

8

01435-01025

Bolt

SN: H62051-UP

1шт.

9

6754-11-5560

Plate

SN: H62051-UP

1шт.

10

01435-01040

Bolt

SN: H62051-UP

2шт.

11

01435-00845

Bolt

SN: H62051-UP

2шт.

12

6754-11-5570

Bracket

SN: H62051-UP

1шт.

13

6152-51-5520

Spacer

SN: H62051-UP

2шт.

14

01435-01075

Bolt

SN: H62051-UP

2шт.

15

6754-11-5670

Bracket

SN: H62051-UP

1шт.

16

6754-11-5980

Bolt

SN: H62051-UP

2шт.

17

01435-01025

Bolt

SN: H62051-UP

2шт.

18

6754-11-5610

Elbow

SN: H62051-UP

1шт.

19

07042-20108

Plug

SN: H62051-UP

1шт.

20

01435-01025

Bolt

SN: H62051-UP

4шт.

21

6137-11-5291

Seal Ring

SN: H62051-UP

1шт.

22

6754-11-5620

Tube

SN: H62051-UP

1шт.

23

6754-11-5590

Bracket

SN: H62051-UP

1шт.

24

01435-01035

Bolt

SN: H62051-UP

2шт.

25

01435-01025

Bolt

SN: H62051-UP

2шт.

26

6754-11-5470

Tube

SN: H62051-UP

1шт.

27

01435-00814

Bolt

SN: H62051-UP

2шт.

28

07260-20980

Hose

SN: H62051-UP

1шт.

29

07285-00155

Clip

SN: H62051-UP

1шт.

30

04434-51612

Clip

SN: H62051-UP

1шт.

31

01435-01280

Bolt

SN: H62051-UP

1шт.

32

6164-91-6290

Spacer

SN: H62051-UP

1шт.

Выбрано товаров: 64