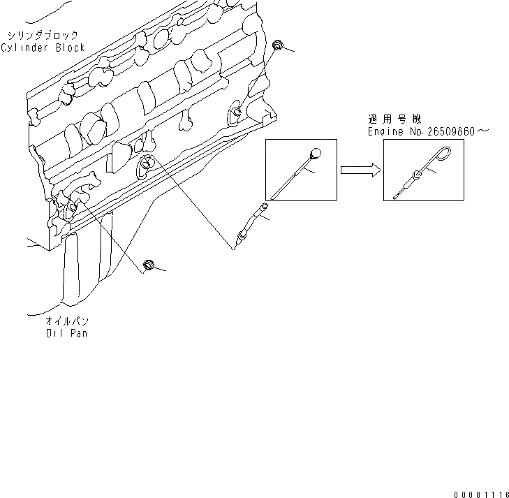
Запчасти Komatsu SAA6D107E-1J-W МАСЛ. ЩУП(№9-) ДВИГАТЕЛЬ

Схема запчастей Komatsu SAA6D107E-1J-W - МАСЛ. ЩУП(№9-) ДВИГАТЕЛЬ
1
1
2
3
3
1
1
2
3
3
FIT
1:1
100%

Артикул

Название

Примечание

Количество

1

6732-21-5530

PLUG

SN: 26509424-UP

4шт.

2

6754-21-5411

GUIDE

SN: 26509424-UP

1шт.

3

6754-21-5430

GAUGE

SN: 26509860-UP

1шт.

3

6754-21-5420

GAUGE

SN: 26509424-26509859

1шт.

1

6732-21-5530

PLUG

SN: 26509424-UP

4шт.

2

6754-21-5411

GUIDE

SN: 26509424-UP

1шт.

3

6754-21-5430

GAUGE

SN: 26509860-UP

1шт.

3

6754-21-5420

GAUGE

SN: 26509424-26509859

1шт.

Выбрано товаров: 8