Запчасти Komatsu SAA6D107E-1JA КАРТЕР МАХОВИКА ДВИГАТЕЛЬ

Схема запчастей Komatsu SAA6D107E-1JA - КАРТЕР МАХОВИКА ДВИГАТЕЛЬ
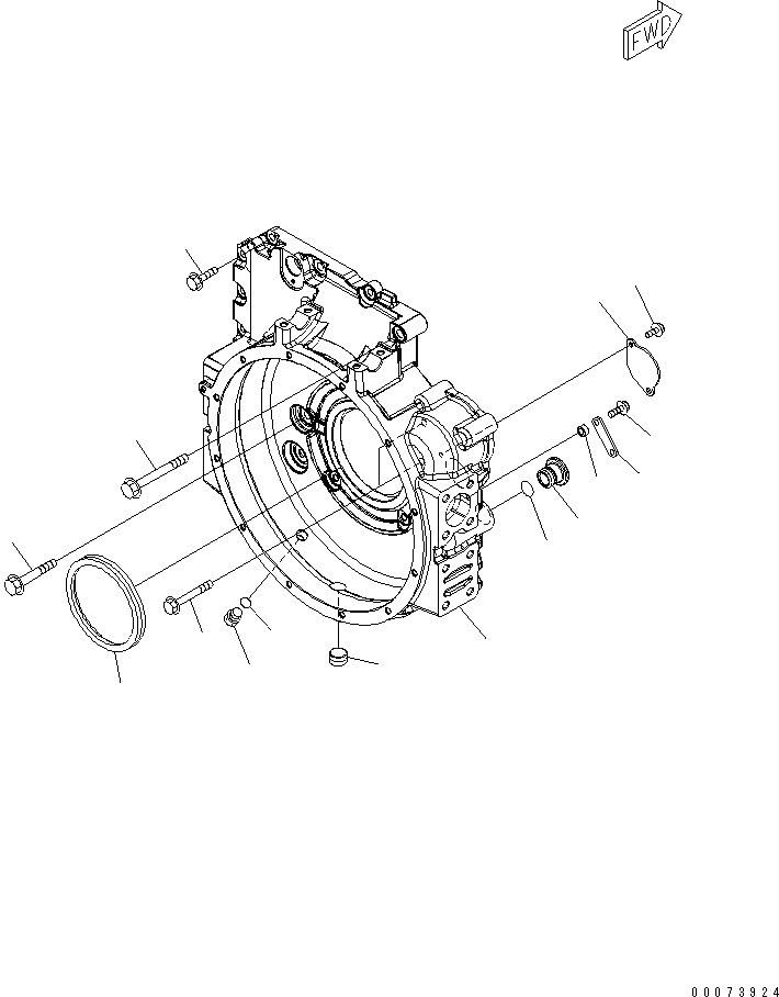
1
2
3
4
5
6
7
8
9
10
11
12
13
14
15
16
FIT
1:1
100%

Артикул

Название

Примечание

Количество

1

6735-K2-3010

SEAL

SN: .-UP

1шт.

2

6754-21-4121

HOUSING,FLYWHEEL

SN: .-UP

1шт.

3

6754-21-4210

BOLT

SN: .-UP

2шт.

4

6731-21-6220

BOLT

SN: .-UP

2шт.

5

6742-01-5504

BOLT

SN: .-UP

10шт.

6

6736-21-5350

BOLT

SN: .-UP

6шт.

7

6732-21-4130

PLATE

SN: .-UP

1шт.

8

6732-21-3120

BOLT

SN: .-UP

1шт.

9

6732-21-4150

PLUG

SN: .-UP

1шт.

10

6732-21-4161

O-RING

SN: .-UP

1шт.

11

6167-11-6640

SPACER

SN: .-UP

1шт.

12

6301-11-4630

PLATE

SN: .-UP

1шт.

13

6732-21-6630

BOLT

SN: .-UP

1шт.

|$17

6735-21-4150

PLUG

SN: .-UP

1шт.

14

0

PLUG

SN: .-UP

1шт.

15

6735-21-4160

O-RING

SN: .-UP

1шт.

16

6732-11-1920

PLUG

SN: .-UP

1шт.

Выбрано товаров: 0