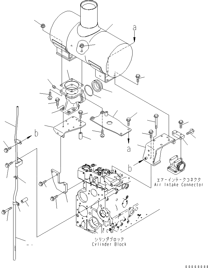
Запчасти Komatsu SAA6D107E-1JA ВЫПУСКН. ГЛУШИТЕЛЬ И МОНТАЖНЫЙ КАРКАС (9A ГЕНЕРАТОР) ДВИГАТЕЛЬ

Схема запчастей Komatsu SAA6D107E-1JA - ВЫПУСКН. ГЛУШИТЕЛЬ И МОНТАЖНЫЙ КАРКАС (9A ГЕНЕРАТОР) ДВИГАТЕЛЬ
1
2
3
4
5
5
6
7
8
9
10
11
12
13
14
15
16
17
18
19
20
21
22
23
24
25
26
27
27
28
29
30
31
32
FIT
1:1
100%

Артикул

Название

Примечание

Количество

1

6754-11-5220

MUFFLER

SN: .-UP

1шт.

2

6151-11-5751

GASKET

SN: .-UP

1шт.

3

01435-01035

BOLT

SN: .-UP

2шт.

4

01435-01050

BOLT

SN: .-UP

2шт.

5

01584-01008

NUT

SN: .-UP

4шт.

6

6754-11-5550

BRACKET

SN: .-UP

1шт.

7

01435-01095

BOLT

SN: .-UP

1шт.

8

01435-01025

BOLT

SN: .-UP

1шт.

9

6754-11-5560

PLATE

SN: .-UP

1шт.

10

01435-01040

BOLT

SN: .-UP

2шт.

11

01435-00845

BOLT

SN: .-UP

2шт.

12

6754-11-5570

BRACKET

SN: .-UP

1шт.

13

6152-51-5520

SPACER

SN: .-UP

2шт.

14

01435-01075

BOLT

SN: .-UP

2шт.

15

6754-11-5580

PLATE

SN: .-UP

1шт.

16

01435-00830

BOLT

SN: .-UP

2шт.

17

01435-01030

BOLT

SN: .-UP

2шт.

18

6754-11-5610

ELBOW

SN: .-UP

1шт.

19

07042-20108

PLUG

SN: .-UP

1шт.

20

01435-01025

BOLT

SN: .-UP

4шт.

21

6137-11-5291

RING

SN: .-UP

1шт.

22

6754-11-5620

TUBE

SN: .-UP

1шт.

23

6754-11-5590

BRACKET

SN: .-UP

1шт.

24

01435-01035

BOLT

SN: .-UP

2шт.

25

01435-01025

BOLT

SN: .-UP

2шт.

26

6754-11-5470

TUBE

SN: .-UP

1шт.

27

01435-00814

BOLT

SN: .-UP

2шт.

28

07260-20980

HOSE

SN: .-UP

1шт.

29

07285-00155

CLIP

SN: .-UP

1шт.

30

04434-51612

CLIP

SN: .-UP

1шт.

31

01435-01280

BOLT

SN: .-UP

1шт.

32

6164-91-6290

SPACER

SN: .-UP

1шт.

Выбрано товаров: 32