Запчасти Komatsu SAA6D107E-1JA ТОПЛИВН. ВПРЫСК КОНТРОЛЛЕР КОМПОНЕНТЫ(№-) ДВИГАТЕЛЬ

Схема запчастей Komatsu SAA6D107E-1JA - ТОПЛИВН. ВПРЫСК КОНТРОЛЛЕР КОМПОНЕНТЫ(№-) ДВИГАТЕЛЬ
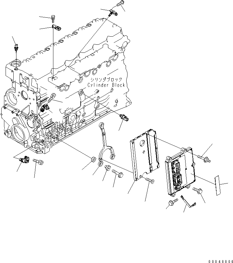
1
2
3
4
5
6
7
8
9
10
11
12
12
13
13
14
15
16
17
18
19
FIT
1:1
100%

Артикул

Название

Примечание

Количество

1

6754-81-9110

ISOLATOR

SN: 26500006-UP

3шт.

2

6754-81-9120

BRACKET

SN: 26500006-UP

1шт.

3

6754-81-9130

ISOLATOR

SN: 26500006-UP

3шт.

4

6735-61-2120

BOLT

SN: 26500006-UP

3шт.

5

6754-81-9140

SUPPORT

SN: 26500006-UP

1шт.

6

6754-81-9150

BOLT

SN: 26500006-UP

3шт.

7

6754-81-9160

BOLT

SN: 26500006-UP

3шт.

8

6732-61-3110

BOLT

SN: 26500006-UP

2шт.

9

6216-84-2130

PLATE

SN: 26508320-UP

1шт.

|$11

600-460-3000

PLATE

SN: 26500006-26508319

1шт.

10

6754-81-9170

WIRE

SN: 26500006-UP

1шт.

11

6216-74-6180

BOLT

SN: 26500006-UP

1шт.

12

6754-81-9200

SENSOR ASS'Y,POSITION

SN: 26500006-UP

2шт.

|$15

6261-81-2901

SENSOR ASS'Y

SN: 26500006-UP

1шт.

13

6216-84-9220

BOLT

SN: 26500006-UP

2шт.

14

6744-81-4010

SWITCH,PRESSURE

SN: 26500006-UP

1шт.

|$19

6216-84-9740

SEAL

SN: 26500006-UP

1шт.

15

6261-81-1900

SENSOR,PRESSURE

SN: 26500006-UP

1шт.

16

6734-71-5520

BOLT

SN: 26500006-UP

1шт.

17

6754-81-2701

SENSOR ASS'Y

SN: 26505380-UP

1шт.

|$24

0

SENSOR ASS'Y

SN: 26500006-26505379

1шт.

|$25

6754-81-2710

O-RING

SN: 26500006-UP

1шт.

18

6754-81-9180

SCREW

SN: 26500006-UP

1шт.

19

6261-81-6901

SENSOR ASS'Y,TEMPERATURE

SN: 26530193-UP

1шт.

|$28

6261-81-6900

SENSOR ASS'Y,TEMPERATURE

SN: 26500006-26530192

1шт.

|$29

6216-84-9740

SEAL

SN: 26500006-UP

1шт.

Выбрано товаров: 26