Запчасти Komatsu SAA6D107E-1K ТОПЛИВН. ВПРЫСК КОНТРОЛЛЕР КОМПОНЕНТЫ ТОПЛИВН. ВПРЫСК КОНТРОЛЛЕР КОМПОНЕНТЫ

Схема запчастей Komatsu SAA6D107E-1K - ТОПЛИВН. ВПРЫСК КОНТРОЛЛЕР КОМПОНЕНТЫ ТОПЛИВН. ВПРЫСК КОНТРОЛЛЕР КОМПОНЕНТЫ
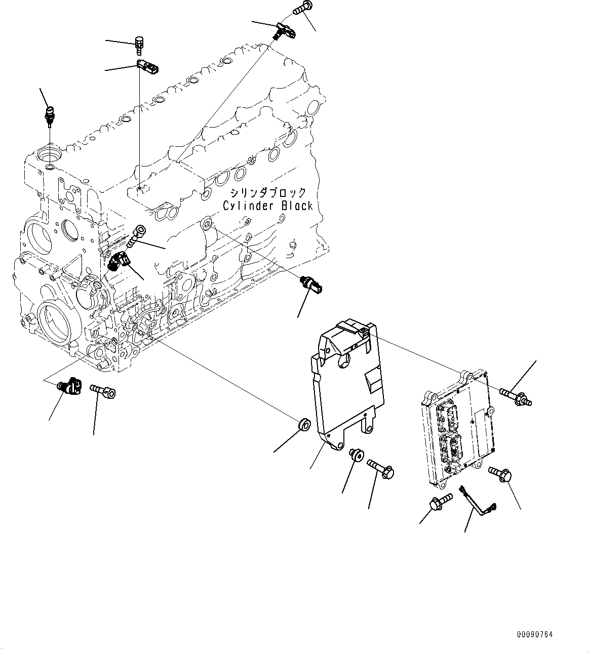
13
14
12
11
15
9
8
10
8
9
1
2
1
3
7
6
5
4
FIT
1:1
100%

Артикул

Название

Примечание

Количество

1

6754-81-9470

Isolator

SN: 26547615-UP

3шт.

2

6754-81-9460

Bracket

SN: 26547615-UP

1шт.

3

6735-61-2120

Bolt

SN: 26547615-UP

3шт.

4

6754-81-9161

Bolt

SN: 26574352-UP

3шт.

|$4

6754-81-9160

Bolt

SN: 26547615-26574351

3шт.

5

6732-61-3110

Bolt

SN: 26547615-UP

2шт.

6

6754-81-9170

Wire

SN: 26547615-UP

1шт.

7

6216-74-6180

Bolt

SN: 26547615-UP

1шт.

8

6271-81-9201

Sensor Assembly

SN: 26547617-UP

2шт.

|$9

6271-81-9200

Sensor Assembly

SN: 26547615-26547616

2шт.

|$10

6271-81-9220

O-Ring

SN: 26547615-UP

1шт.

9

6216-84-9220

Bolt

SN: 26547615-UP

2шт.

10

6744-81-4010

Switch

SN: 26547615-UP

1шт.

11

6261-81-1900

Sensor, Pressure

SN: 26547615-UP

1шт.

12

6734-81-5520

Bolt

SN: 26547615-UP

1шт.

13

6754-81-2701

Sensor, Temperature

SN: 26547615-UP

1шт.

14

6754-81-9180

Screw

SN: 26547615-UP

1шт.

15

6261-81-6901

Sensor Assembly

SN: 26547615-UP

1шт.

Выбрано товаров: 18