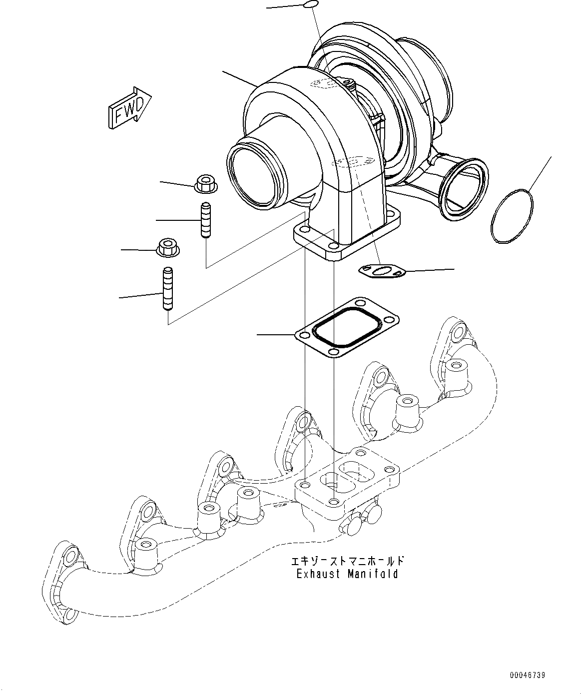
Запчасти Komatsu SAA6D107E-1K ТУРБОНАГНЕТАТЕЛЬ (№7-) ТУРБОНАГНЕТАТЕЛЬ

Схема запчастей Komatsu SAA6D107E-1K - ТУРБОНАГНЕТАТЕЛЬ (№7-) ТУРБОНАГНЕТАТЕЛЬ
4
6
3
5
1
3
2
7
8
FIT
1:1
100%

Артикул

Название

Примечание

Количество

1

6732-81-8810

Stud

SN: 26547615-UP

2шт.

2

6738-82-8810

Stud

SN: 26547615-UP

2шт.

3

6732-81-8820

Nut

SN: 26547615-UP

4шт.

3

6754-81-8090

Turbocharger Kit

SN: 26547615-UP

1шт.

4

Turbocharger

SN: 26547615-UP

1шт.

5

6754-51-8121

Gasket

SN: 26547615-UP

1шт.

6

6754-81-8710

Gasket

SN: 26547615-UP

1шт.

7

6738-11-4370

O-ring

SN: 26547615-UP

1шт.

8

6736-51-8710

O-ring

SN: 26547615-UP

1шт.

Выбрано товаров: 9