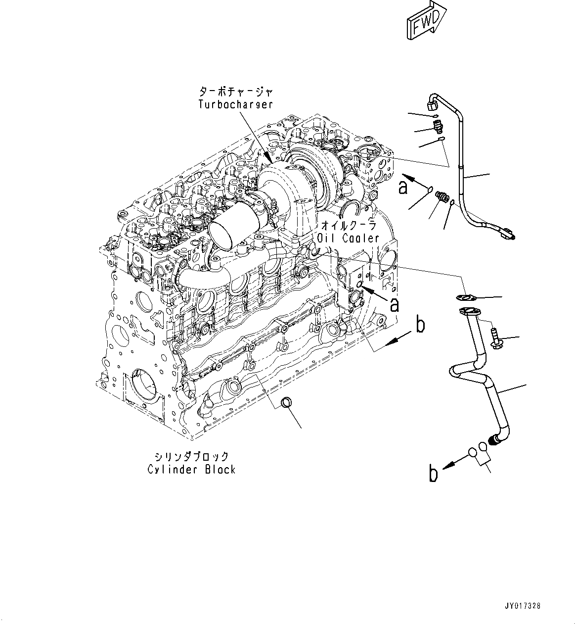
Запчасти Komatsu SAA6D107E-1K МАСЛОПРОВОДЯЩИЕ ТРУБКИ ТУРБОНАГНЕТАТЕЛЯ, (№8-) МАСЛОПРОВОДЯЩИЕ ТРУБКИ ТУРБОНАГНЕТАТЕЛЯ

Схема запчастей Komatsu SAA6D107E-1K - МАСЛОПРОВОДЯЩИЕ ТРУБКИ ТУРБОНАГНЕТАТЕЛЯ, (№8-) МАСЛОПРОВОДЯЩИЕ ТРУБКИ ТУРБОНАГНЕТАТЕЛЯ
6
8
7
5
6
8
7
9
1
2
3
4
FIT
1:1
100%

Артикул

Название

Примечание

Количество

|$0

6754-51-8100

Tube Assembly

SN: 26547615-UP

1шт.

1

Tube

SN: 26547615-UP

1шт.

2

6732-51-8330

O-ring

SN: 26547615-UP

2шт.

3

6731-61-1370

Bolt

SN: 26547615-UP

2шт.

4

6754-51-8121

Gasket

SN: 26547615-UP

1шт.

5

6754-51-8210

Hose

SN: 26547615-UP

1шт.

6

6737-51-8770

O-ring

SN: 26568065-UP

2шт.

7

6732-81-8860

O-ring

SN: 26568065-UP

2шт.

8

6755-51-8230

Union

SN: 26568065-UP

2шт.

9

6735-21-5530

Plug

SN: 26547615-UP

1шт.

Выбрано товаров: 10