Запчасти Komatsu SAA6D107E-1L УПРАВЛ-Е ДВИГАТЕЛЕМLER КОМПОНЕНТЫ (№88-) УПРАВЛ-Е ДВИГАТЕЛЕМLER КОМПОНЕНТЫ

Схема запчастей Komatsu SAA6D107E-1L - УПРАВЛ-Е ДВИГАТЕЛЕМLER КОМПОНЕНТЫ (№88-) УПРАВЛ-Е ДВИГАТЕЛЕМLER КОМПОНЕНТЫ
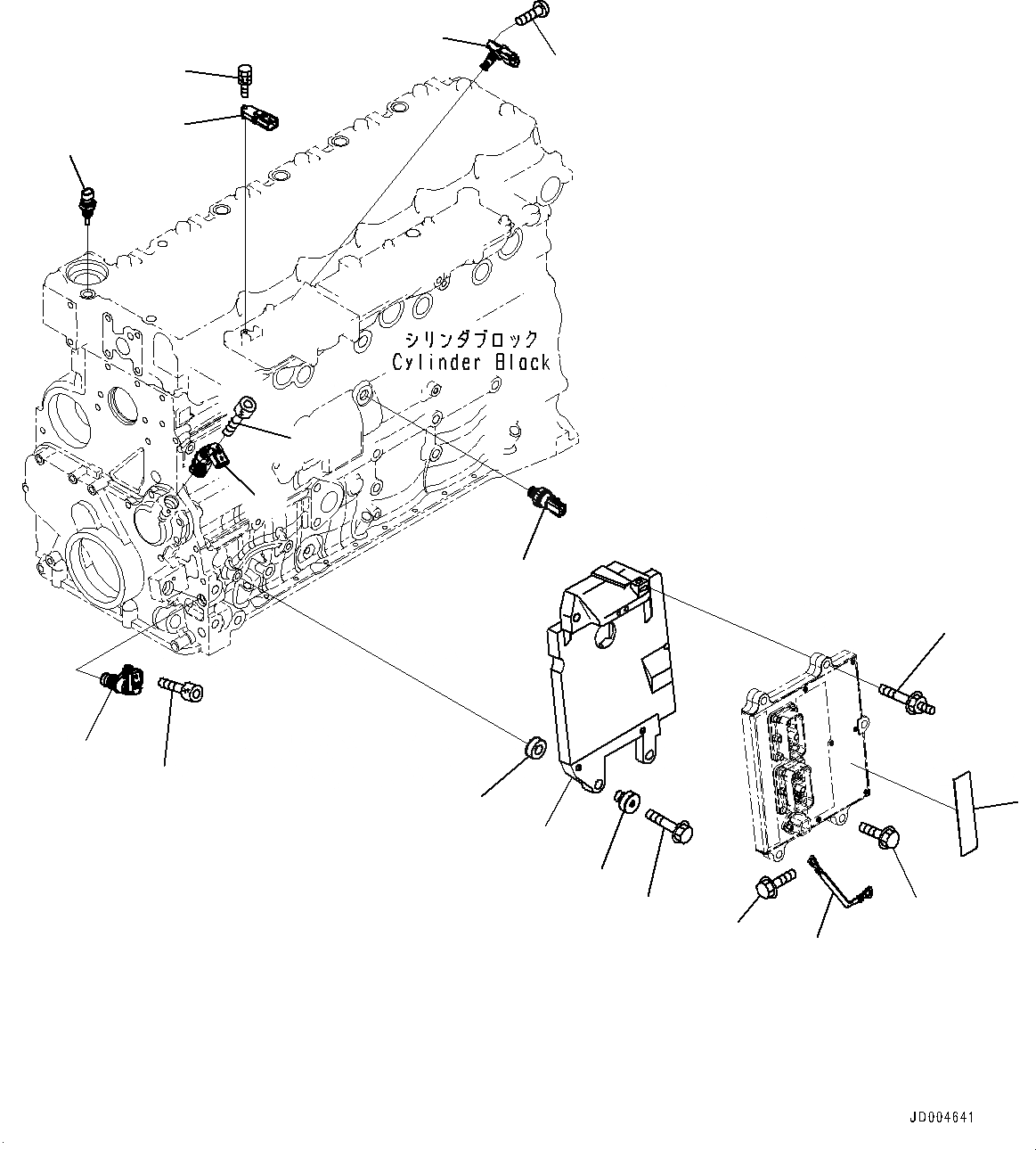
1
8
7
6
5
4
2
3
1
11
16
15
14
13
12
9
10
10
9
1
8
7
6
5
4
2
3
1
11
16
15
14
13
12
9
10
10
9
FIT
1:1
100%

Артикул

Название

Примечание

Количество

1

6754-81-9470

Isolator

SN: 26580638-UP

3шт.

2

6754-81-9460

Bracket

SN: 26580638-UP

1шт.

3

6735-61-2120

Bolt

SN: 26580638-UP

3шт.

4

6754-81-9161

Bolt

SN: 26580638-UP

3шт.

5

6732-61-3110

Bolt

SN: 26580638-UP

2шт.

6

6216-84-2130

Plate

SN: 26580638-UP

1шт.

7

6754-81-9170

Wire

SN: 26580638-UP

1шт.

8

6216-74-6180

Bolt

SN: 26580638-UP

1шт.

9

6271-81-9201

Sensor, Revolution, Position

SN: 26580638-UP

2шт.

10

6216-84-9220

Bolt

SN: 26580638-UP

2шт.

11

6744-81-4010

Switch, Oil Pressure

SN: 26580638-UP

1шт.

12

6261-81-1900

Sensor, Pressure, Ambient Pressure

SN: 26580638-UP

1шт.

13

6734-71-5520

Bolt

SN: 26580638-UP

1шт.

14

6754-81-2701

Sensor, Temperature, Boost Pressure

SN: 26580638-UP

1шт.

15

6754-81-9180

Screw

SN: 26580638-UP

1шт.

16

6261-81-6901

Sensor Assembly, Water temoerature

SN: 26580638-UP

1шт.

1

6754-81-9470

Isolator

SN: 26580638-UP

3шт.

2

6754-81-9460

Bracket

SN: 26580638-UP

1шт.

3

6735-61-2120

Bolt

SN: 26580638-UP

3шт.

4

6754-81-9161

Bolt

SN: 26580638-UP

3шт.

5

6732-61-3110

Bolt

SN: 26580638-UP

2шт.

6

6216-84-2130

Plate

SN: 26580638-UP

1шт.

7

6754-81-9170

Wire

SN: 26580638-UP

1шт.

8

6216-74-6180

Bolt

SN: 26580638-UP

1шт.

9

6271-81-9201

Sensor, Revolution, Position

SN: 26580638-UP

2шт.

10

6216-84-9220

Bolt

SN: 26580638-UP

2шт.

11

6744-81-4010

Switch, Oil Pressure

SN: 26580638-UP

1шт.

12

6261-81-1900

Sensor, Pressure, Ambient Pressure

SN: 26580638-UP

1шт.

13

6734-71-5520

Bolt

SN: 26580638-UP

1шт.

14

6754-81-2701

Sensor, Temperature, Boost Pressure

SN: 26580638-UP

1шт.

15

6754-81-9180

Screw

SN: 26580638-UP

1шт.

16

6261-81-6901

Sensor Assembly, Water temoerature

SN: 26580638-UP

1шт.

Выбрано товаров: 32