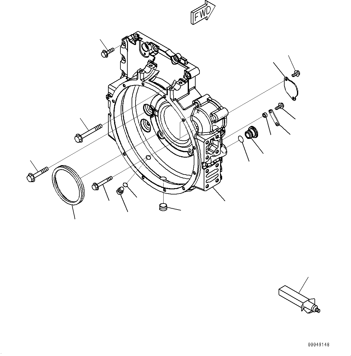
Запчасти Komatsu SAA6D107E-1L КАРТЕР МАХОВИКА (№88-) КАРТЕР МАХОВИКА

Схема запчастей Komatsu SAA6D107E-1L - КАРТЕР МАХОВИКА (№88-) КАРТЕР МАХОВИКА
17
2
10
9
11
12
13
7
8
16
15
14
4
1
6
3
5
17
2
10
9
11
12
13
7
8
16
15
14
4
1
6
3
5
FIT
1:1
100%

Артикул

Название

Примечание

Количество

1

6736-21-4221

Seal

SN: 26580638-UP

1шт.

2

6754-21-4122

Housing, Flywheel

SN: 26580638-UP

1шт.

3

6754-21-4210

Bolt

SN: 26580638-UP

2шт.

4

6731-21-6220

Bolt

SN: 26580638-UP

2шт.

5

6742-01-5504

Bolt

SN: 26580638-UP

10шт.

6

6736-21-5350

Bolt

SN: 26580638-UP

6шт.

7

6732-21-4130

Plate

SN: 26580638-UP

1шт.

8

01435-60816

Bolt

SN: 26580638-UP

1шт.

9

6732-21-4150

Plug

SN: 26580638-UP

1шт.

10

6732-21-4161

O-ring

SN: 26580638-UP

1шт.

11

6167-11-6640

Spacer

SN: 26580638-UP

1шт.

12

6301-11-4630

Plate

SN: 26580638-UP

1шт.

13

6732-21-6630

Screw

SN: 26580638-UP

1шт.

13

6735-21-4150

Plug Assembly

SN: 26580638-UP

1шт.

14

6735-21-4170

Plug

SN: 26580638-UP

1шт.

15

6735-21-4160

O-ring

SN: 26580638-UP

1шт.

16

6732-11-1920

Plug

SN: 26580638-UP

1шт.

17

09920-00150

Liquid gasket, LG-7, 150G

SN: 26580638-UP

-2шт.

1

6736-21-4221

Seal

SN: 26580638-UP

1шт.

2

6754-21-4122

Housing, Flywheel

SN: 26580638-UP

1шт.

3

6754-21-4210

Bolt

SN: 26580638-UP

2шт.

4

6731-21-6220

Bolt

SN: 26580638-UP

2шт.

5

6742-01-5504

Bolt

SN: 26580638-UP

10шт.

6

6736-21-5350

Bolt

SN: 26580638-UP

6шт.

7

6732-21-4130

Plate

SN: 26580638-UP

1шт.

8

01435-60816

Bolt

SN: 26580638-UP

1шт.

9

6732-21-4150

Plug

SN: 26580638-UP

1шт.

10

6732-21-4161

O-ring

SN: 26580638-UP

1шт.

11

6167-11-6640

Spacer

SN: 26580638-UP

1шт.

12

6301-11-4630

Plate

SN: 26580638-UP

1шт.

13

6732-21-6630

Screw

SN: 26580638-UP

1шт.

13

6735-21-4150

Plug Assembly

SN: 26580638-UP

1шт.

14

6735-21-4170

Plug

SN: 26580638-UP

1шт.

15

6735-21-4160

O-ring

SN: 26580638-UP

1шт.

16

6732-11-1920

Plug

SN: 26580638-UP

1шт.

17

09920-00150

Liquid gasket, LG-7, 150G

SN: 26580638-UP

-2шт.

Выбрано товаров: 36