Запчасти Komatsu SAA6D107E-1Q УПРАВЛ-Е ДВИГАТЕЛЕМLER КОМПОНЕНТЫ (№989-) УПРАВЛ-Е ДВИГАТЕЛЕМLER КОМПОНЕНТЫ

Схема запчастей Komatsu SAA6D107E-1Q - УПРАВЛ-Е ДВИГАТЕЛЕМLER КОМПОНЕНТЫ (№989-) УПРАВЛ-Е ДВИГАТЕЛЕМLER КОМПОНЕНТЫ
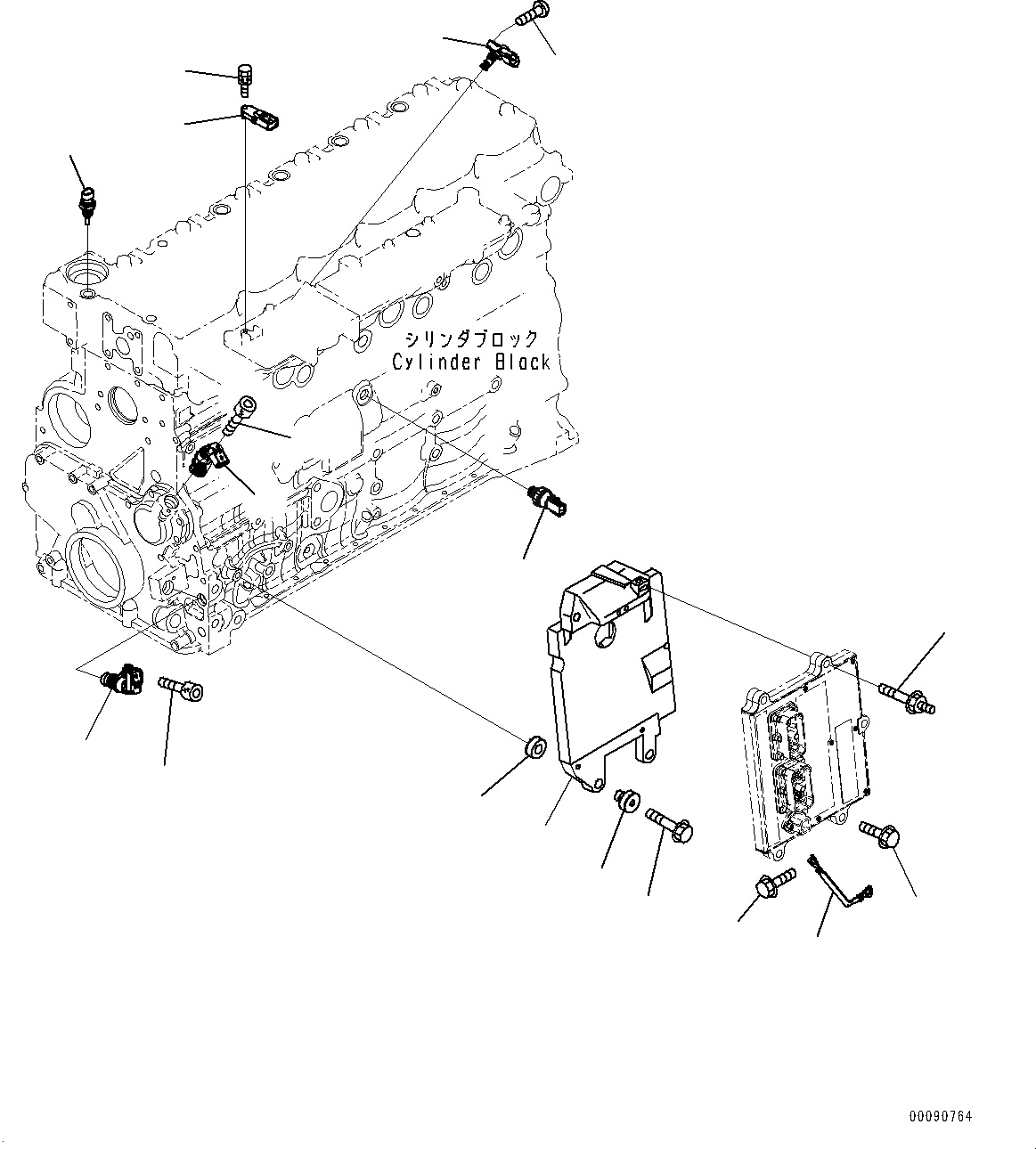
1
7
6
5
4
2
3
1
10
15
14
13
12
11
8
9
9
8
FIT
1:1
100%

Артикул

Название

Примечание

Количество

1

6754-81-9470

Isolator

SN: 26598590-UP

3шт.

2

6754-81-9460

Bracket

SN: 26598590-UP

1шт.

3

6735-61-2120

Bolt

SN: 26598590-UP

3шт.

4

6754-81-9161

Bolt

SN: 26598590-UP

3шт.

5

6732-61-3110

Bolt

SN: 26598590-UP

2шт.

6

6754-81-9170

Wire

SN: 26598590-UP

1шт.

7

6216-74-6180

Bolt

SN: 26598590-UP

1шт.

8

6271-81-9201

Sensor Assembly, Position

SN: 26598590-UP

2шт.

8

6271-81-9220

O-ring

SN: 26598590-UP

1шт.

9

6216-84-9220

Bolt

SN: 26598590-UP

2шт.

10

6744-81-4010

Switch

SN: 26598590-UP

1шт.

10

6219-81-1990

O-ring

SN: 26598590-UP

1шт.

11

6261-81-1900

Sensor, Pressure

SN: 26598590-UP

1шт.

12

6734-71-5520

Bolt

SN: 26598590-UP

1шт.

13

6754-81-2701

Sensor, Temperature

SN: 26598590-UP

1шт.

13

6754-81-2710

O-ring

SN: 26598590-UP

1шт.

14

6754-81-9180

Screw

SN: 26598590-UP

1шт.

15

6261-81-6901

Sensor Assembly, Temperature

SN: 26598590-UP

1шт.

15

6216-84-9740

Seal

SN: 26598590-UP

1шт.

Выбрано товаров: 19