Запчасти Komatsu SAA6D107E-2 KOMATSU РЕГУЛИР. GEOMETRY ТУРБОНАГНЕТАТЕЛЬ (KVGT) МАСЛОПРОВОДЯЩАЯ ЛИНИЯ KOMATSU РЕГУЛИР. GEOMETRY ТУРБОНАГНЕТАТЕЛЬ (KVGT) МАСЛОПРОВОДЯЩАЯ ЛИНИЯ

Схема запчастей Komatsu SAA6D107E-2 - KOMATSU РЕГУЛИР. GEOMETRY ТУРБОНАГНЕТАТЕЛЬ (KVGT) МАСЛОПРОВОДЯЩАЯ ЛИНИЯ KOMATSU РЕГУЛИР. GEOMETRY ТУРБОНАГНЕТАТЕЛЬ (KVGT) МАСЛОПРОВОДЯЩАЯ ЛИНИЯ
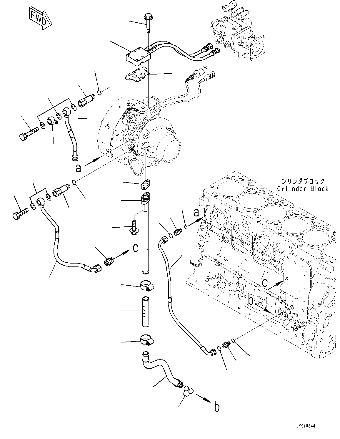
1
2
3
4
5
6
7
8
9
10
11
12
13
14
15
16
17
18
19
20
21
22
23
7
10
9
8
13
14
15
FIT
1:1
100%

Артикул

Название

Примечание

Количество

1

6754-51-8121

Gasket

SN: 21857281-UP

1шт.

2

6755-51-8110

Tube

SN: 21857281-UP

1шт.

3

01435-60820

Bolt

SN: 21857281-UP

2шт.

4

6755-51-8120

Connection

SN: 21857281-UP

1шт.

5

6732-51-8330

O-Ring

SN: 21857281-UP

2шт.

6

6755-51-8130

Hose

SN: 21857281-UP

1шт.

7

6731-81-8320

Clamp

SN: 21857281-UP

2шт.

7

6745-61-8160

Union

SN: 21857281-UP

2шт.

8

6737-51-8770

O-Ring

SN: 21857281-UP

1шт.

9

6732-81-8860

O-Ring

SN: 21857281-UP

1шт.

10

6755-51-8230

Union

SN: 21857281-UP

1шт.

11

6755-51-8140

Tube

SN: 21857281-UP

1шт.

12

6755-51-8150

Union

SN: 21857281-UP

1шт.

|$13

6755-61-8110

Connector Assembly

SN: 21857281-UP

2шт.

13

6755-61-8120

O-Ring

SN: 21857281-UP

1шт.

14

6755-61-8130

Connector

SN: 21857281-UP

1шт.

15

6755-61-8140

Seal, Washer

SN: 21857281-UP

5шт.

16

6755-61-8150

Tube

SN: 21857281-UP

1шт.

17

6755-61-8160

Tube

SN: 21857281-UP

1шт.

18

6755-61-8170

Screw

SN: 21857281-UP

1шт.

19

6755-61-8180

Connector

SN: 21857281-UP

1шт.

20

6755-61-8190

Screw

SN: 21857281-UP

1шт.

21

6755-51-8220

Gasket

SN: 21857281-UP

1шт.

22

6755-51-8210

Connection

SN: 21857281-UP

1шт.

23

6745-81-9430

Bolt

SN: 21857281-UP

6шт.

Выбрано товаров: 25