Запчасти Komatsu SAA6D107E-2 KOMATSU ЗАКРЫТ.D CRANKКОРПУС ВЕНТИЛЯТОРILATION (KCCV) KOMATSU ЗАКРЫТ.D CRANKКОРПУС ВЕНТИЛЯТОРILATION (KCCV)

Схема запчастей Komatsu SAA6D107E-2 - KOMATSU ЗАКРЫТ.D CRANKКОРПУС ВЕНТИЛЯТОРILATION (KCCV) KOMATSU ЗАКРЫТ.D CRANKКОРПУС ВЕНТИЛЯТОРILATION (KCCV)
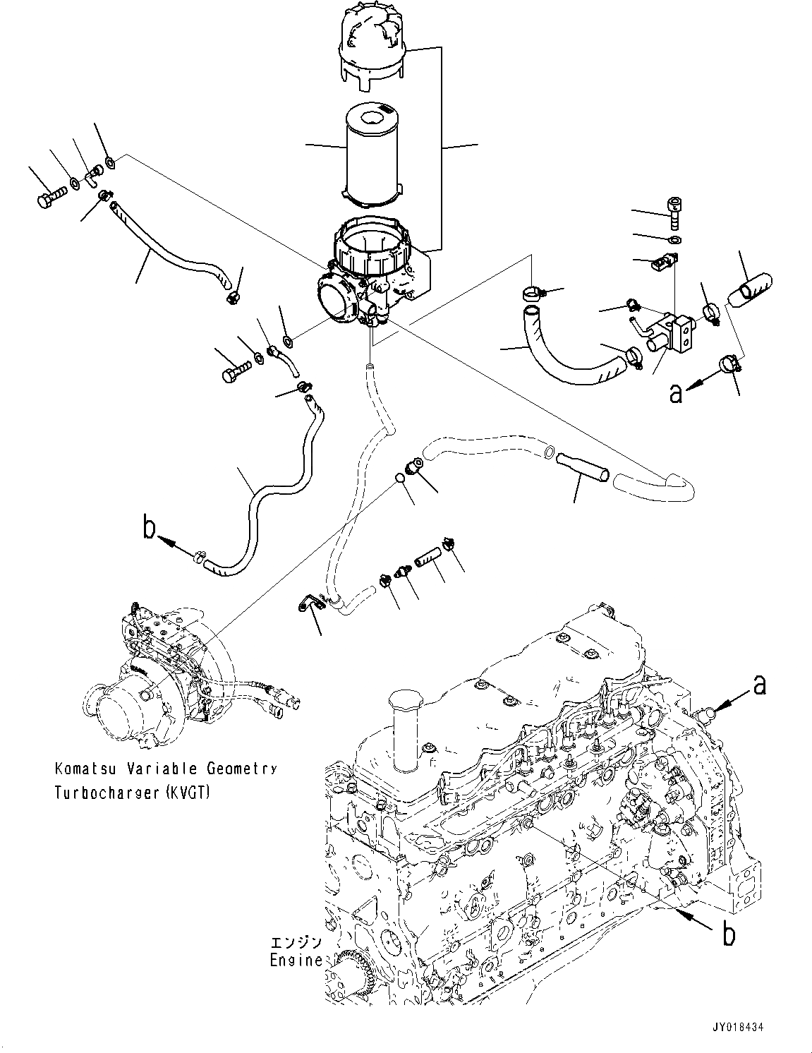
1
2
3
4
5
6
7
8
9
10
11
12
13
14
15
16
17
18
19
20
21
22
23
24
25
26
27
28
22
24
8
12
15
18
FIT
1:1
100%

Артикул

Название

Примечание

Количество

1

600-332-2210

Ventilator

SN: 21857281-UP

1шт.

2

600-331-2900

Element Kit

SN: 21857281-UP

1шт.

3

6755-21-7140

Tube

SN: 21857281-UP

1шт.

4

6755-21-7121

Joint

SN: 21857281-UP

1шт.

5

6755-21-7110

O-Ring

SN: 21857281-UP

1шт.

6

6261-51-2810

Valve, Check

SN: 21857281-UP

1шт.

7

07260-20906

Hose

SN: 21857281-UP

1шт.

8

07281-00197

Clamp

SN: 21857281-UP

2шт.

9

6755-21-7150

Bracket

SN: 21857281-UP

1шт.

10

6755-21-7240

Joint

SN: 21857281-UP

1шт.

11

07206-30812

Bolt, Joint

SN: 21857281-UP

1шт.

12

07005-01212

Gasket

SN: 21857281-UP

2шт.

13

6746-21-7460

Joint

SN: 21857281-UP

1шт.

14

07206-30812

Bolt, Joint

SN: 21857281-UP

1шт.

15

07005-01212

Gasket

SN: 21857281-UP

2шт.

16

07281-00197

Clamp

SN: 21857281-UP

1шт.

17

6755-21-7261

Hose

SN: 21857281-UP

1шт.

18

07281-00197

Clamp

SN: 21857281-UP

2шт.

19

6755-21-7430

Hose

SN: 21857281-UP

1шт.

20

07281-00197

Clamp

SN: 21857281-UP

1шт.

21

2A5-01-11814

Hose

SN: 21857281-UP

1шт.

22

07281-00419

Clamp, Hose

SN: 21857281-UP

2шт.

23

6755-21-7310

Hose

SN: 21857281-UP

1шт.

24

07281-00419

Clamp, Hose

SN: 21857281-UP

2шт.

25

6755-21-7420

Block

SN: 21857281-UP

1шт.

26

6252-11-2900

Sensor, Pressure

SN: 21857281-UP

1шт.

27

600-331-1930

Bolt

SN: 21857281-UP

1шт.

28

01640-20508

Washer

SN: 21857281-UP

1шт.

Выбрано товаров: 28