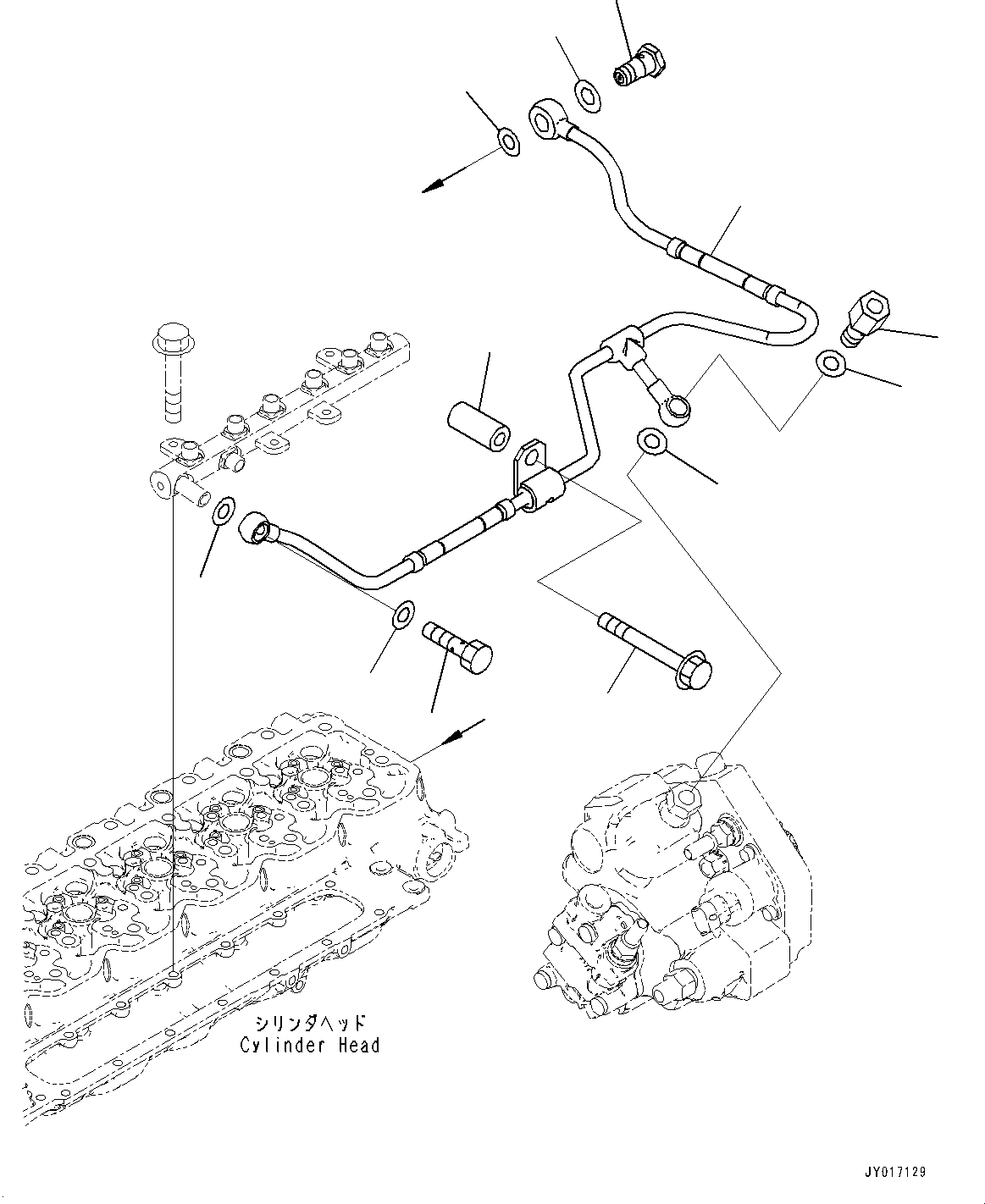
Запчасти Komatsu SAA6D107E-2 ТОПЛИВН. ДРЕНАЖН. ТРУБЫ ТОПЛИВН. ДРЕНАЖН. ТРУБЫ

Схема запчастей Komatsu SAA6D107E-2 - ТОПЛИВН. ДРЕНАЖН. ТРУБЫ ТОПЛИВН. ДРЕНАЖН. ТРУБЫ
2
2
5
8
2
7
1
2
2
3
4
6
a
a
FIT
1:1
100%

Артикул

Название

Примечание

Количество

1

6755-71-5110

Tube

SN: 22069880-UP

1шт.

2

6745-71-1130

Washer

SN: 22069880-UP

5шт.

3

6731-74-5910

Washer

SN: 22069880-UP

1шт.

4

6754-71-5430

Valve, Check

SN: 22069880-UP

1шт.

5

6732-71-6510

Bolt

SN: 22069880-UP

1шт.

6

6755-71-5120

Screw

SN: 22069880-UP

1шт.

7

6755-71-5130

Spacer

SN: 22069880-UP

1шт.

8

6736-11-4460

Bolt

SN: 22069880-UP

1шт.

Выбрано товаров: 8