Запчасти Komatsu SAA6D107E-2 МАСЛ. ЩУП МАСЛ. ЩУП

Схема запчастей Komatsu SAA6D107E-2 - МАСЛ. ЩУП МАСЛ. ЩУП
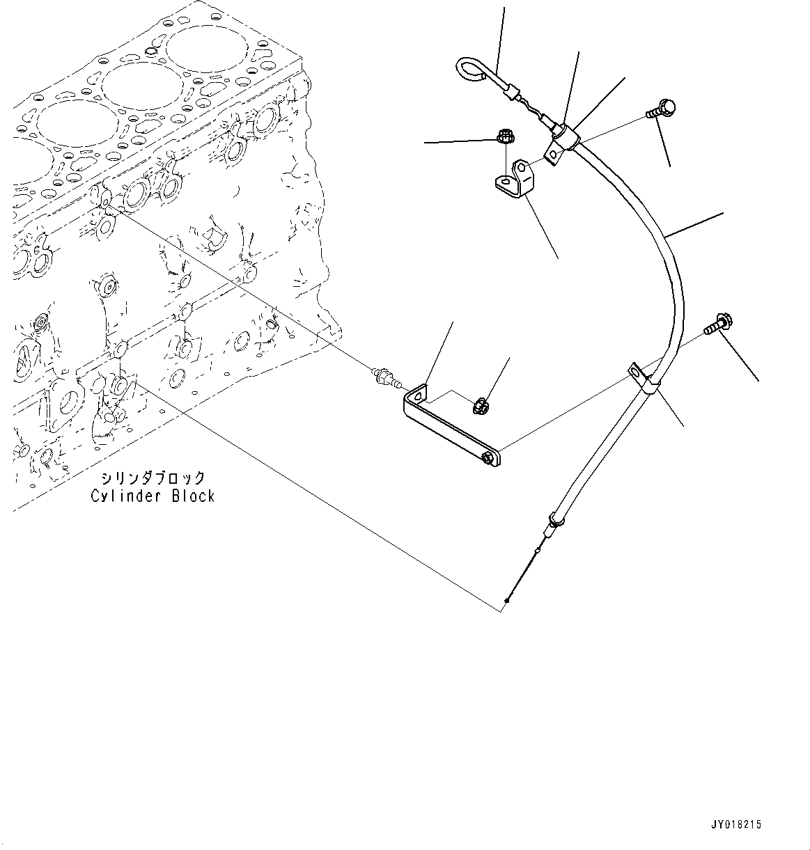
1
2
3
4
5
6
7
8
9
5
9
FIT
1:1
100%

Артикул

Название

Примечание

Количество

1

6732-21-5491

Gauge, Oil

SN: 22069880-UP

1шт.

2

6754-21-5610

Gauge

SN: 22069880-UP

1шт.

3

6755-21-5810

Brace

SN: 22069880-UP

1шт.

4

6755-21-5820

Brace

SN: 22069880-UP

1шт.

5

6732-21-3120

Bolt

SN: 22069880-UP

2шт.

6

04434-51208

Clip

SN: 22069880-UP

1шт.

7

04434-51708

Clip

SN: 22069880-UP

1шт.

8

07095-20211

Cushion

SN: 22069880-UP

1шт.

9

6732-71-3210

Nut

SN: 22069880-UP

2шт.

Выбрано товаров: 9