Запчасти Komatsu SAA6D107E-2 ДВИГАТЕЛЬ МАСЛ. ФИЛЬТР И ТРУБЫ, КОРПУС ДВИГАТЕЛЬ МАСЛ. ФИЛЬТР И ТРУБЫ, КОРПУС

Схема запчастей Komatsu SAA6D107E-2 - ДВИГАТЕЛЬ МАСЛ. ФИЛЬТР И ТРУБЫ, КОРПУС ДВИГАТЕЛЬ МАСЛ. ФИЛЬТР И ТРУБЫ, КОРПУС
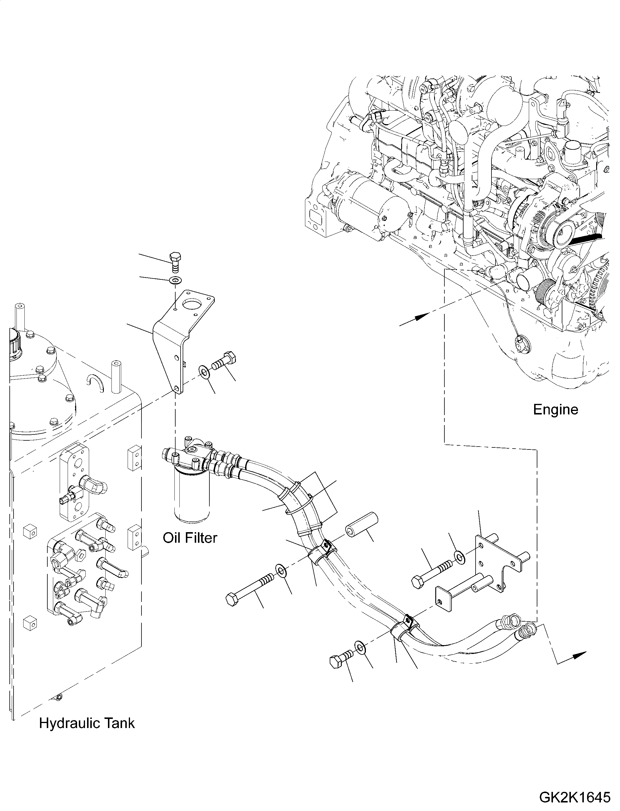
1
2
3
4
5
6
7
9
8
11
12
10
14
15
13
4
5
8
9
a
a
FIT
1:1
100%

Артикул

Название

Примечание

Количество

1

20J-01-51111

Bracket

SN: 22069880-UP

1шт.

2

01016-50825

Bolt

SN: 22069880-UP

4шт.

3

01643-30823

Washer

SN: 22069880-UP

4шт.

4

01010-81230

Bolt

SN: 22069880-UP

3шт.

5

01643-31232

Washer

SN: 22069880-UP

3шт.

6

20Y-01-41250

Cover

SN: 22069880-UP

2шт.

7

08034-20536

Band

SN: 22069880-UP

5шт.

8

04434-53412

Clip

SN: 22069880-UP

4шт.

9

198-06-53630

Cushion

SN: 22069880-UP

4шт.

10

175-61-17240

Spacer

SN: 22069880-UP

1шт.

11

01010-81295

Bolt

SN: 22069880-UP

1шт.

12

01643-31232

Washer

SN: 22069880-UP

1шт.

13

20J-06-51281

Bracket

SN: 22069880-UP

1шт.

14

01010-81280

Bolt

SN: 22069880-UP

3шт.

15

01643-31232

Washer

SN: 22069880-UP

3шт.

Выбрано товаров: 15