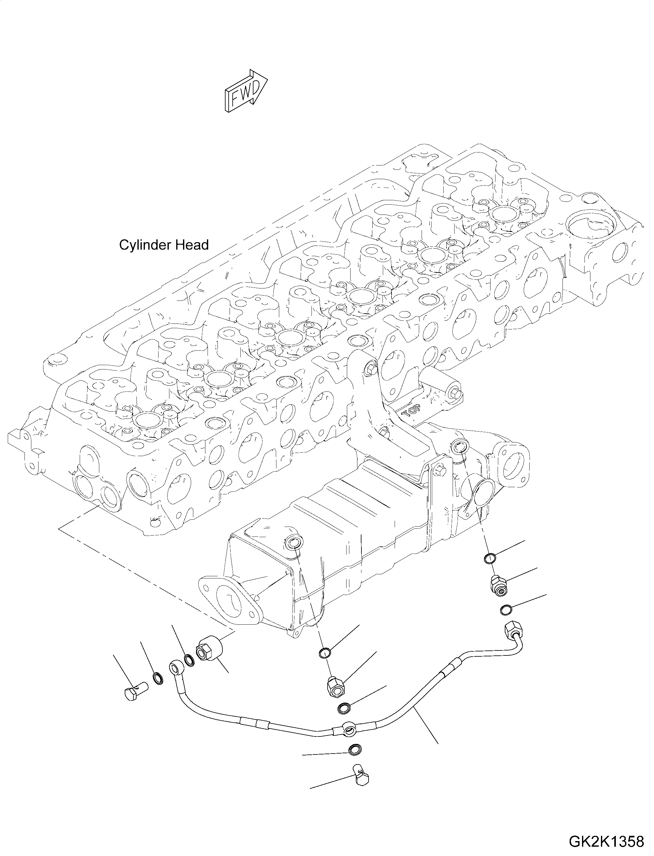
Запчасти Komatsu SAA6D107E-2 ДВИГАТЕЛЬ ХЛАДАГЕНТ ВЕНТИЛЯТОР ДВИГАТЕЛЬ ХЛАДАГЕНТ ВЕНТИЛЯТОР

Схема запчастей Komatsu SAA6D107E-2 - ДВИГАТЕЛЬ ХЛАДАГЕНТ ВЕНТИЛЯТОР ДВИГАТЕЛЬ ХЛАДАГЕНТ ВЕНТИЛЯТОР
1
8
8
9
8
9
8
5
6
4
2
3
7
FIT
1:1
100%

Артикул

Название

Примечание

Количество

1

6755-61-7110

Connector

SN: 22069880-UP

1шт.

2

6755-61-7120

Union

SN: 22069880-UP

1шт.

3

6216-54-8330

O-Ring

SN: 22069880-UP

1шт.

4

6735-21-1970

O-Ring

SN: 22069880-UP

1шт.

5

6755-61-7140

Connector

SN: 22069880-UP

1шт.

6

6735-21-1970

O-Ring

SN: 22069880-UP

1шт.

7

6755-61-7160

Tube

SN: 22069880-UP

1шт.

8

6755-61-7170

Seal, Washer

SN: 22069880-UP

4шт.

9

6755-61-7180

Screw

SN: 22069880-UP

2шт.

Выбрано товаров: 9