Запчасти Komatsu SAA6D107E-2 ДВИГАТЕЛЬ ХЛАДАГЕНТ ВЕНТИЛЯТОР ДВИГАТЕЛЬ ХЛАДАГЕНТ ВЕНТИЛЯТОР

Схема запчастей Komatsu SAA6D107E-2 - ДВИГАТЕЛЬ ХЛАДАГЕНТ ВЕНТИЛЯТОР ДВИГАТЕЛЬ ХЛАДАГЕНТ ВЕНТИЛЯТОР
3
1
4
5
5
6
5
5
6
2
FIT
1:1
100%

Артикул

Название

Примечание

Количество

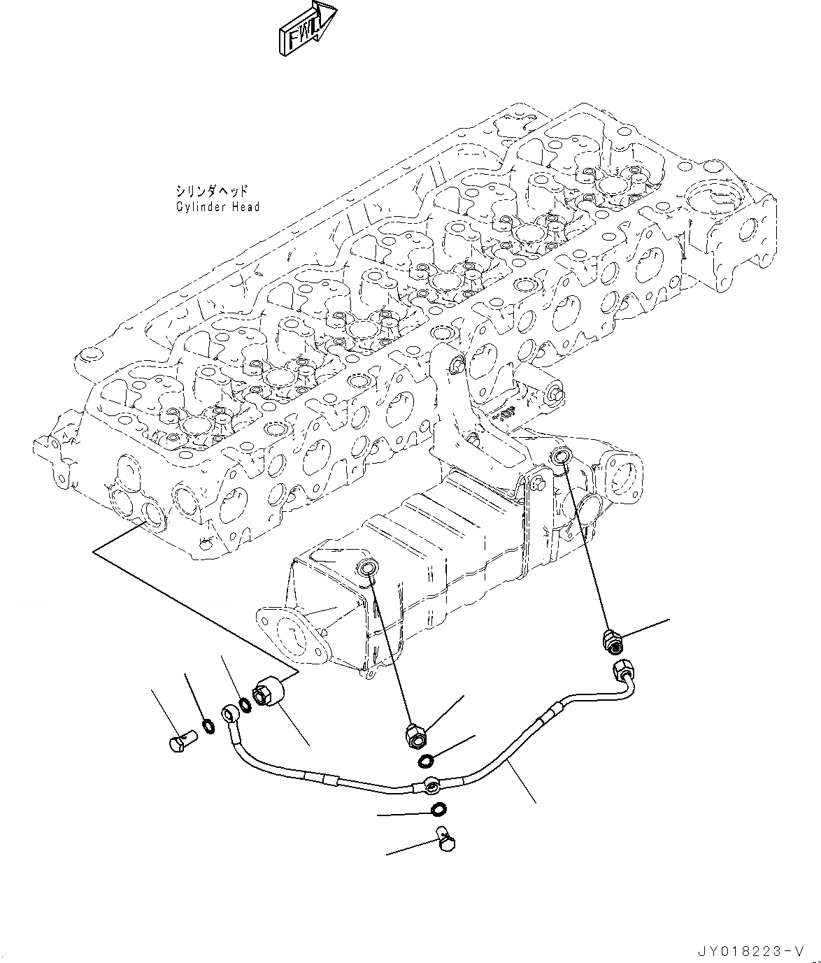
1

6755-61-7110

Connector

SN: 26600164-UP

1шт.

2

6755-61-7120

Union

SN: 26600164-UP

1шт.

3

6755-61-7140

Connector

SN: 26600164-UP

1шт.

3

6735-21-1970

O-Ring

SN: 26600164-UP

1шт.

3

6755-61-7150

Connector

SN: 26600164-UP

1шт.

4

6755-61-7160

Tube

SN: 26600164-UP

1шт.

5

6755-61-7170

Seal, Washer

SN: 26600164-UP

4шт.

6

6755-61-7180

Screw

SN: 26600164-UP

2шт.

Выбрано товаров: 8