Качественные детали и логистика
Оригинальные и аналоговые запчасти с доставкой по России, Казахстану и Беларуси
©2022 PartSell ООО "Система" ИНН 2463123282 ОГРН 1212400004838
Центральный офис: г. Красноярск, Академика Киренского, д.87, пом.4
Телефон: 8 (800) 777-65-74 Email: zakaz@partsell.ru
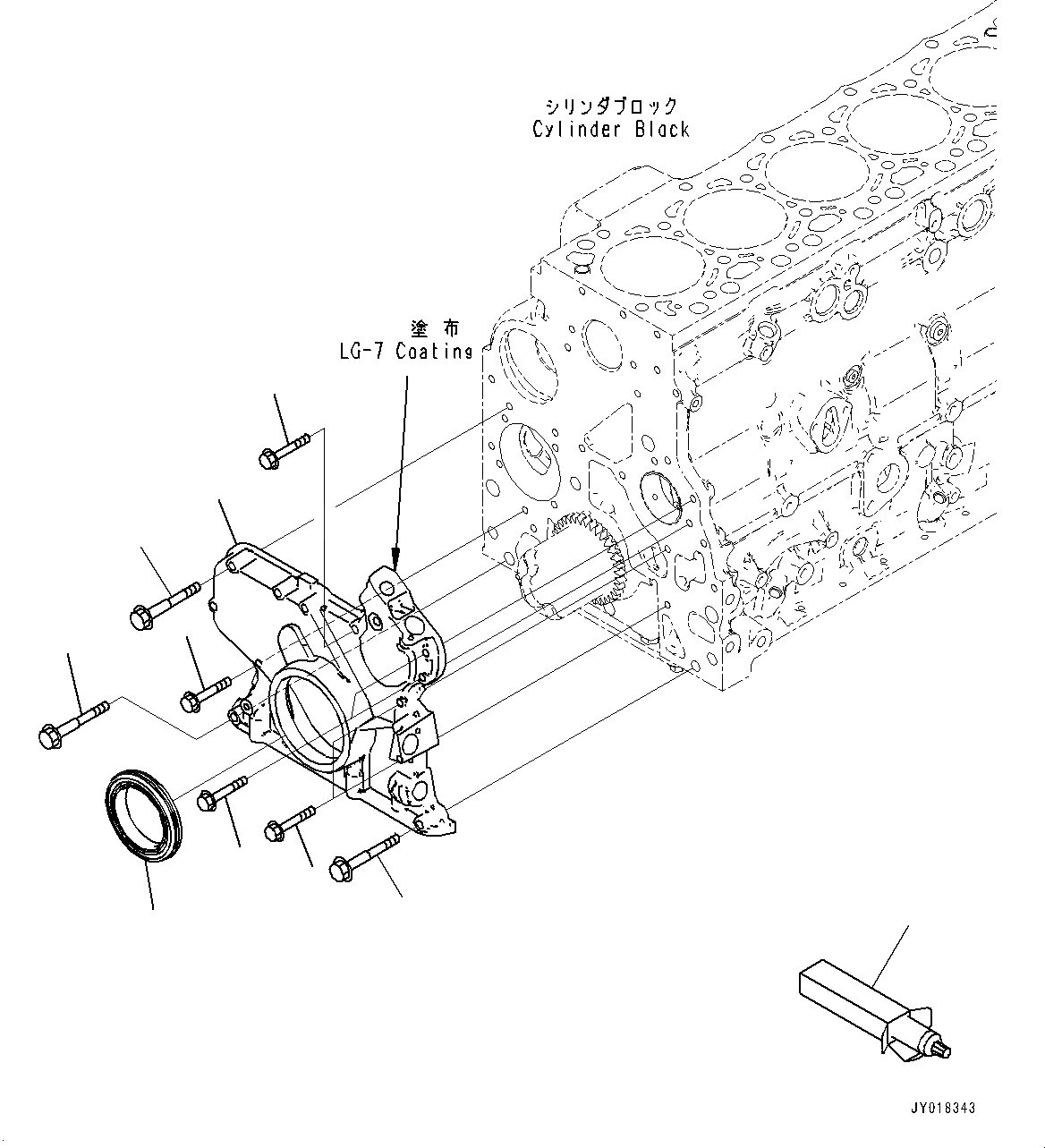
ПЕРЕДН. ПРИВОД COVER
№
Артикул
Название
Примечание
Количество
1
6755-21-6211
Cover,Front
SN: 26600164-UP
1шт.
2
6735-61-2120
Bolt
7шт.
3
6732-21-6630
Screw
6шт.
4
6754-21-6230
Seal
5
09920-00150
Liquid gasket, LG-7, 150G
-26шт.
Выбрано товаров: 0