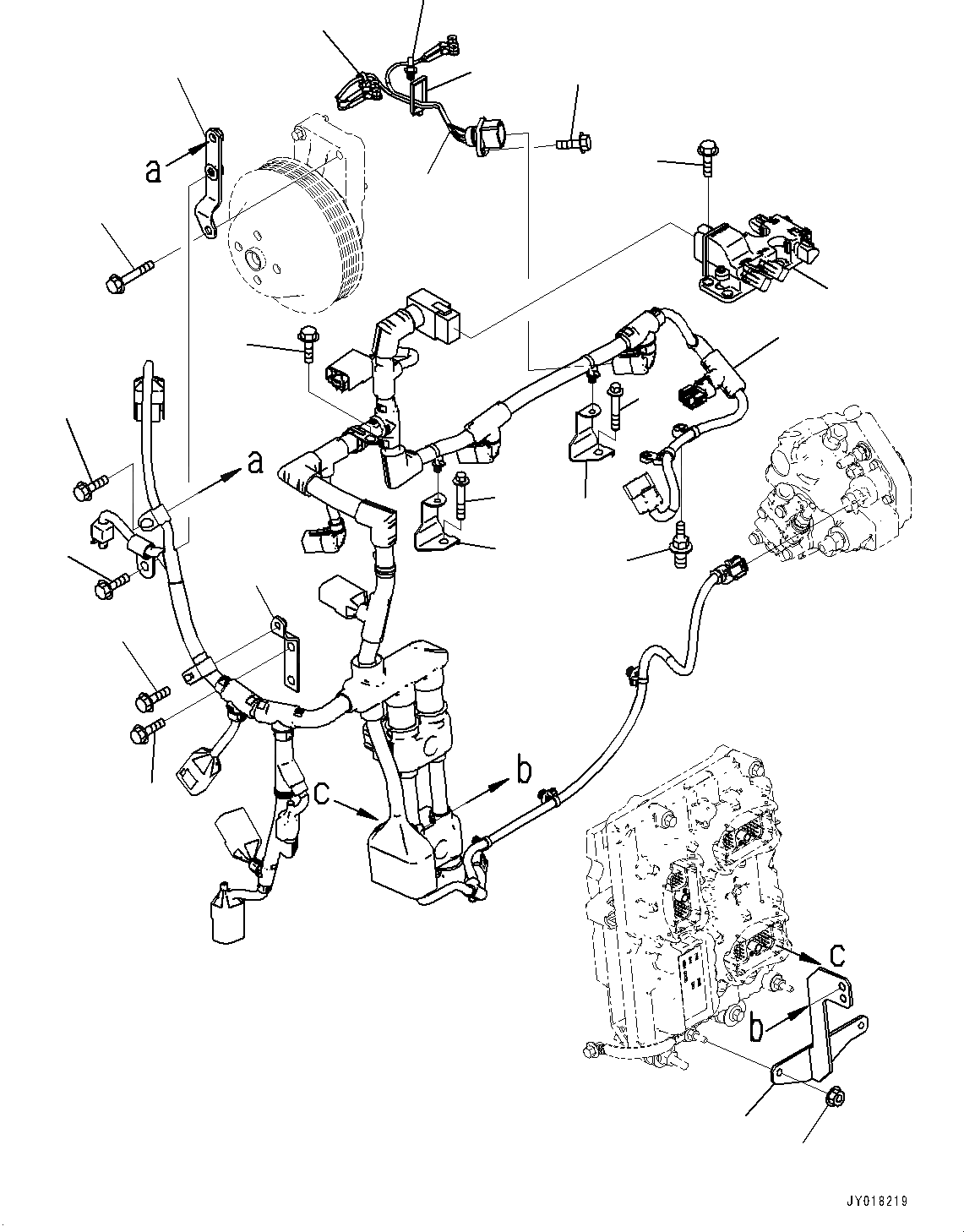
Запчасти Komatsu SAA6D107E-2 ПРОВОДКА ПРОВОДКА

Схема запчастей Komatsu SAA6D107E-2 - ПРОВОДКА ПРОВОДКА
4
6
14
6
13
19
19
18
17
1
2
3
5
10
11
3
15
16
8
12
7
9
8
FIT
1:1
100%

Артикул

Название

Примечание

Количество

1

6754-81-9450

Wiring Harness

3шт.

2

6754-81-9220

Clip

3шт.

3

6754-81-9230

Clip

6шт.

4

6755-81-9310

Wiring Harness

1шт.

5

6732-21-4180

Bolt

3шт.

6

6754-81-9340

Bracket

2шт.

7

6754-81-9280

Bracket

1шт.

8

01435-60816

Bolt

4шт.

9

01435-60612

Bolt

1шт.

10

6755-81-9210

Brace

1шт.

11

6754-81-9390

Bolt

1шт.

12

6216-74-6180

Bolt

1шт.

13

6216-54-7320

Bolt

1шт.

14

6731-72-5110

Bolt

1шт.

15

6755-81-9320

Connector

1шт.

16

01435-60816

Bolt

4шт.

17

6755-81-9220

Brace

1шт.

18

01584-00605

Nut

2шт.

19

6733-11-4150

Bolt

2шт.

Выбрано товаров: 19