Качественные детали и логистика
Оригинальные и аналоговые запчасти с доставкой по России, Казахстану и Беларуси
©2022 PartSell ООО "Система" ИНН 2463123282 ОГРН 1212400004838
Центральный офис: г. Красноярск, Академика Киренского, д.87, пом.4
Телефон: 8 (800) 777-65-74 Email: zakaz@partsell.ru
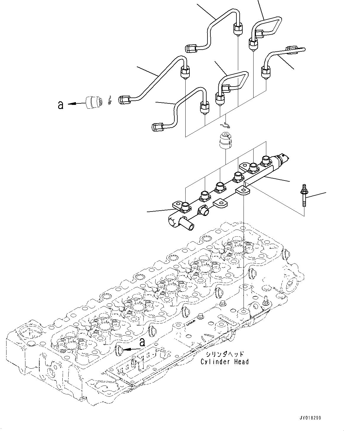
ЧАСТИ PERДЛЯMANCE, COMMON RAIL
№
Артикул
Название
Примечание
Количество
1
6755-71-1210
Rail Assembly
1шт.
2
6755-71-1220
Screw
2шт.
3
6755-71-5210
Tube
4
6755-71-5220
5
6755-71-5230
6
6755-71-5240
7
6754-71-1991
Decal
Выбрано товаров: 0