Запчасти Komatsu SAA6D107E-2 САПУН И ШЛАНГИ САПУН И ШЛАНГИ

Схема запчастей Komatsu SAA6D107E-2 - САПУН И ШЛАНГИ САПУН И ШЛАНГИ
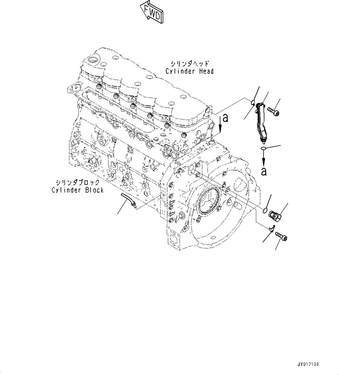
1
2
3
4
9
7
5
6
7
8
FIT
1:1
100%

Артикул

Название

Примечание

Количество

1

6755-21-6110

Elbow

1шт.

2

1241155H1

O-ring

1шт.

3

6754-21-6150

Plate

1шт.

4

6754-21-6160

Bolt

1шт.

4

6754-21-6100

Tube Assembly

1шт.

5

Tube

1шт.

6

6754-21-6250

O-ring

1шт.

7

6754-21-6240

O-ring

2шт.

8

6754-21-6280

Bolt

2шт.

9

6755-21-6120

Tube, Coupling

1шт.

Выбрано товаров: 10