Качественные детали и логистика
Оригинальные и аналоговые запчасти с доставкой по России, Казахстану и Беларуси
©2022 PartSell ООО "Система" ИНН 2463123282 ОГРН 1212400004838
Центральный офис: г. Красноярск, Академика Киренского, д.87, пом.4
Телефон: 8 (800) 777-65-74 Email: zakaz@partsell.ru
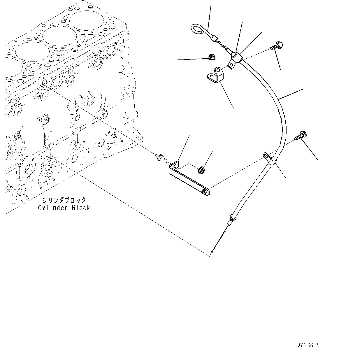
МАСЛ. ЩУП
№
Артикул
Название
Примечание
Количество
1
6732-21-5491
Gauge,Oil
1шт.
2
6754-21-5610
Gauge
3
6755-21-5810
Brace
4
6755-21-5820
5
01435-60816
Bolt
2шт.
6
04434-51208
Clip
7
04434-51708
8
07095-40211
Cushion
9
6732-71-3210
Nut
Выбрано товаров: 0