Запчасти Komatsu SAA6D107E-2A KOMATSU DIESEL ЧАСТЬICULATE ФИЛЬТР.(KDPF), (/) KOMATSU DIESEL ЧАСТЬICULATE ФИЛЬТР.(KDPF)

Схема запчастей Komatsu SAA6D107E-2A - KOMATSU DIESEL ЧАСТЬICULATE ФИЛЬТР.(KDPF), (/) KOMATSU DIESEL ЧАСТЬICULATE ФИЛЬТР.(KDPF)
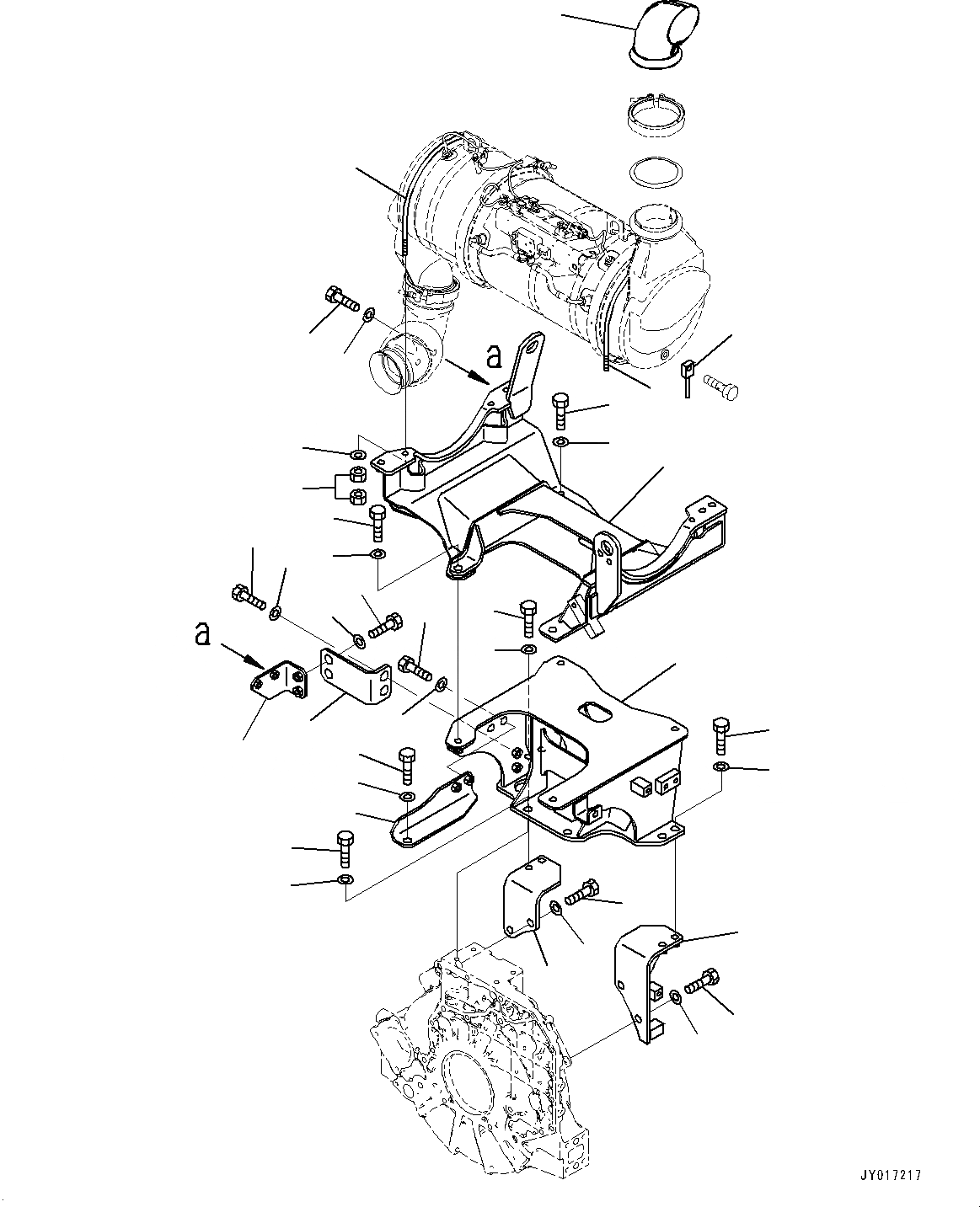
1
8
2
8
4
5
3
26
27
9
10
6
7
29
30
29
30
23
14
15
11
14
15
24
28
25
23
24
22
12
13
19
21
20
16
17
18
FIT
1:1
100%

Артикул

Название

Примечание

Количество

1

6755-11-5170

Pipe

SN: 22052294-UP

1шт.

1

2A5-01-11343

Pipe

SN: 22008976-22052293

1шт.

2

2A5-01-11720

Joint

SN: 22008976-UP

1шт.

3

2A5-01-11373

Bracket

SN: 22008976-UP

1шт.

4

01010-81230

Bolt

SN: 22008976-UP

3шт.

5

01643-31232

Washer

SN: 22008976-UP

3шт.

6

01010-81250

Bolt

SN: 22008976-UP

1шт.

7

01643-31232

Washer

SN: 22008976-UP

1шт.

8

2A5-01-11412

Bolt

SN: 22008976-UP

2шт.

9

2A5-01-11421

Washer

SN: 22008976-UP

4шт.

10

01581-01008

Nut

SN: 22008976-UP

8шт.

11

2A5-01-11382

Bracket

SN: 22067485-UP

1шт.

11

2A5-01-11381

Bracket

SN: 22008976-22067484

1шт.

12

01010-81240

Bolt

SN: 22008976-UP

4шт.

13

01643-31232

Washer

SN: 22008976-UP

4шт.

14

01010-81240

Bolt

SN: 22008976-UP

4шт.

15

01643-31232

Washer

SN: 22008976-UP

4шт.

16

2A5-01-11391

Bracket

SN: 22008976-UP

1шт.

17

01010-81240

Bolt

SN: 22008976-UP

2шт.

18

01643-31232

Washer

SN: 22008976-UP

2шт.

19

2A5-01-11490

Bracket

SN: 22008976-UP

1шт.

20

01010-81240

Bolt

SN: 22008976-UP

2шт.

21

01643-31232

Washer

SN: 22008976-UP

2шт.

22

2A5-01-11531

Bracket

SN: 22008976-UP

1шт.

23

01010-81230

Bolt

SN: 22008976-UP

3шт.

24

01643-31232

Washer

SN: 22008976-UP

3шт.

25

2A5-01-11521

Bracket

SN: 22008976-UP

1шт.

26

01010-81030

Bolt

SN: 22008976-UP

2шт.

27

01643-31032

Washer

SN: 22008976-UP

2шт.

28

2A5-01-11510

Bracket

SN: 22008976-UP

1шт.

29

01010-81230

Bolt

SN: 22008976-UP

4шт.

30

175-54-34170

Washer

SN: 22008976-UP

4шт.

Выбрано товаров: 32