Запчасти Komatsu SAA6D107E-2A KOMATSU ЗАКРЫТ.D CRANKКОРПУС ВЕНТИЛЯТОРILATION (KCCV) (№-) KOMATSU ЗАКРЫТ.D CRANKКОРПУС ВЕНТИЛЯТОРILATION (KCCV)

Схема запчастей Komatsu SAA6D107E-2A - KOMATSU ЗАКРЫТ.D CRANKКОРПУС ВЕНТИЛЯТОРILATION (KCCV) (№-) KOMATSU ЗАКРЫТ.D CRANKКОРПУС ВЕНТИЛЯТОРILATION (KCCV)
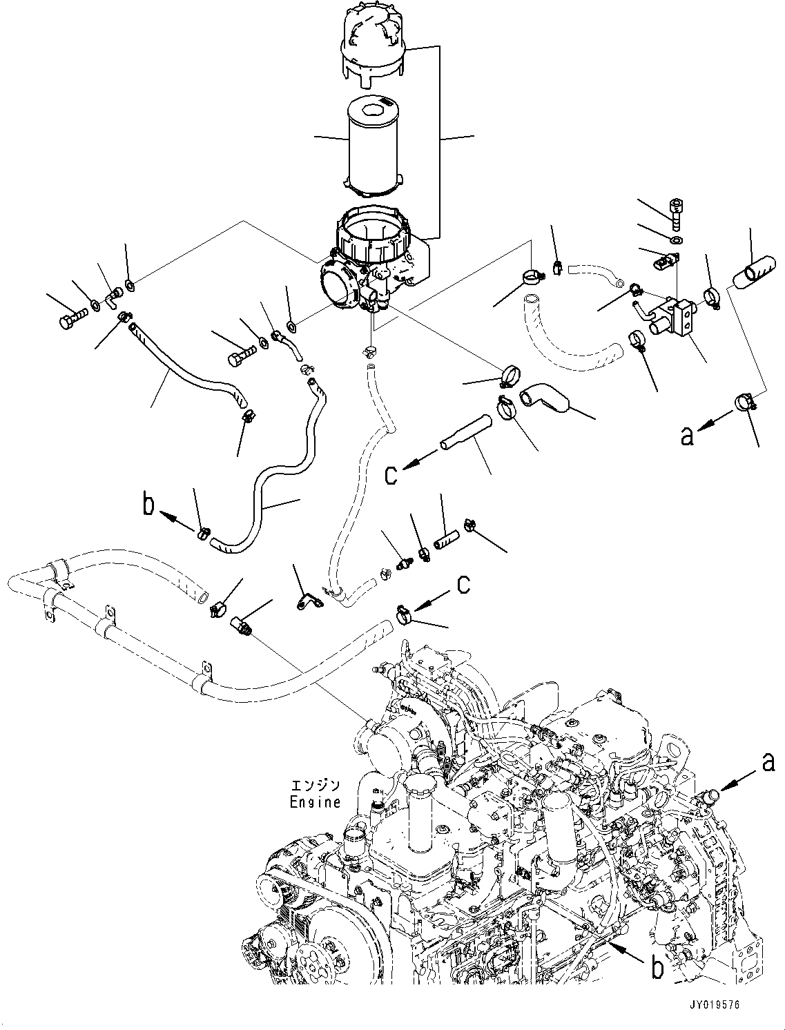
3
4
5
6
7
18
1
2
19
17
16
15
17
11
9
8
10
10
21
20
14
13
12
14
20
23
25
29
28
27
26
23
24
25
22
22
4
6
FIT
1:1
100%

Артикул

Название

Примечание

Количество

1

600-332-2210

Ventilator

SN: 26600150-UP

1шт.

2

600-331-2900

Element Kit

SN: 26600150-UP

1шт.

3

6755-21-7130

Hose

SN: 26600150-UP

1шт.

4

07281-00419

Clamp

SN: 26600150-UP

2шт.

5

6755-21-7140

Tube

SN: 26600150-UP

1шт.

6

07281-00289

Clamp

SN: 26600150-UP

2шт.

7

6755-21-7121

Joint

SN: 26600150-UP

1шт.

8

6261-51-2810

Valve, Check

SN: 26600150-UP

1шт.

9

07260-20906

Hose

SN: 26600150-UP

1шт.

10

07281-00197

Clamp

SN: 26600150-UP

2шт.

11

6755-21-7150

Bracket

SN: 26600150-UP

1шт.

12

6755-21-7240

Joint

SN: 26600150-UP

1шт.

13

07206-30812

Bolt, Joint

SN: 26600150-UP

1шт.

14

07005-01212

Seal, Washer

SN: 26600150-UP

2шт.

15

6746-21-7460

Joint

SN: 26600150-UP

1шт.

16

07206-30812

Bolt, Joint

SN: 26600150-UP

1шт.

17

07005-01212

Seal, Washer

SN: 26600150-UP

2шт.

18

07281-00197

Clamp

SN: 26600150-UP

1шт.

19

6755-21-7261

Hose

SN: 26600201-UP

1шт.

20

07281-00197

Clamp

SN: 26600150-UP

2шт.

21

6755-21-7430

Hose

SN: 26600150-UP

1шт.

22

07281-00197

Clamp

SN: 26600150-UP

2шт.

23

07281-00419

Clamp

SN: 26600150-UP

2шт.

24

6755-21-7310

Hose

SN: 26600150-UP

1шт.

25

07281-00419

Clamp

SN: 26600150-UP

2шт.

26

6755-21-7420

Block

SN: 26600150-UP

1шт.

27

6252-11-2900

Sensor, Pressure

SN: 26600150-UP

1шт.

28

600-331-1930

Bolt

SN: 26600150-UP

1шт.

29

01640-20508

Washer

SN: 26600150-UP

1шт.

Выбрано товаров: 29