Запчасти Komatsu SAA6D107E-2B ВОДН. ВХОДН. СОЕДИН-Е ВОДН. ВХОДН. СОЕДИН-Е

Схема запчастей Komatsu SAA6D107E-2B - ВОДН. ВХОДН. СОЕДИН-Е ВОДН. ВХОДН. СОЕДИН-Е
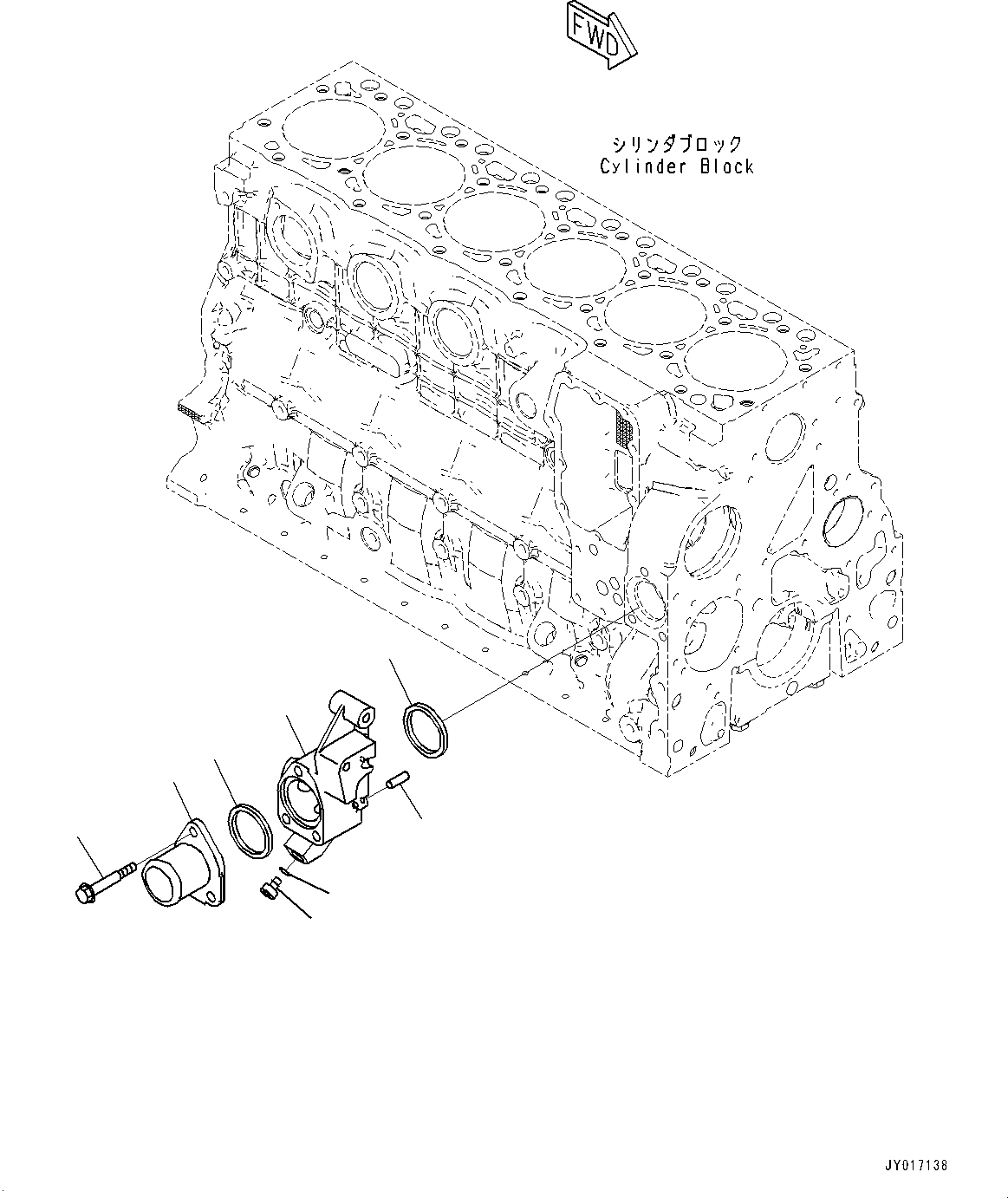
1
2
3
4
5
6
7
3
FIT
1:1
100%

Артикул

Название

Примечание

Количество

|$0

6755-61-6210

Connection

SN: 22021171-UP

1шт.

1

6755-61-6220

Connection

SN: 22021171-UP

1шт.

2

6737-32-2110

Pin

SN: 22021171-UP

2шт.

3

6732-61-6131

Seal Ring

SN: 22021171-UP

2шт.

4

6754-61-6130

Connector

SN: 22021171-UP

1шт.

5

6731-21-6220

Bolt

SN: 22021171-UP

3шт.

5

6735-21-1910

Plug Assembly

SN: 22021171-UP

1шт.

6

6735-21-1920

Plug

SN: 22021171-UP

1шт.

7

6735-21-1930

O-Ring

SN: 22021171-UP

1шт.

Выбрано товаров: 9