Запчасти Komatsu SAA6D107E-2B ЧАСТИ PERДЛЯMANCE, COMMON RAIL ЧАСТИ PERДЛЯMANCE

Схема запчастей Komatsu SAA6D107E-2B - ЧАСТИ PERДЛЯMANCE, COMMON RAIL ЧАСТИ PERДЛЯMANCE
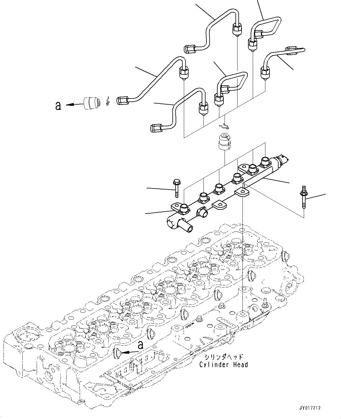
1
2
3
4
5
6
7
8
5
6
FIT
1:1
100%

Артикул

Название

Примечание

Количество

1

6755-71-1210

Rail Assembly

SN: 22021171-UP

1шт.

2

6733-11-4150

Bolt

SN: 22021171-UP

2шт.

3

6755-71-1220

Screw

SN: 22021171-UP

2шт.

4

6755-71-5210

Tube, NO 1

SN: 22021171-UP

1шт.

5

6755-71-5220

Tube, NO 2,3

SN: 22021171-UP

2шт.

6

6755-71-5230

Tube, NO 4,5

SN: 22021171-UP

2шт.

7

6755-71-5240

Tube, NO 6

SN: 22021171-UP

1шт.

8

6754-71-1991

Decal

SN: 22021171-UP

1шт.

Выбрано товаров: 8