Запчасти Komatsu SAA6D107E-2B ДВИГАТЕЛЬ ХЛАДАГЕНТ ВЕНТИЛЯТОР ДВИГАТЕЛЬ ХЛАДАГЕНТ ВЕНТИЛЯТОР

Схема запчастей Komatsu SAA6D107E-2B - ДВИГАТЕЛЬ ХЛАДАГЕНТ ВЕНТИЛЯТОР ДВИГАТЕЛЬ ХЛАДАГЕНТ ВЕНТИЛЯТОР
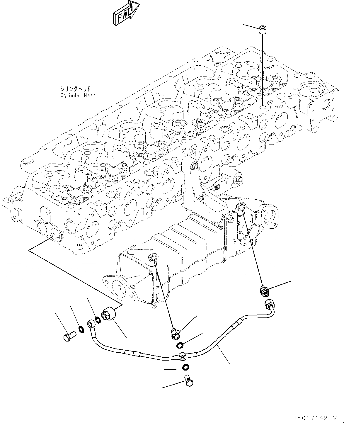
4
2
5
6
6
7
6
6
7
3
1
FIT
1:1
100%

Артикул

Название

Примечание

Количество

1

6732-61-2240

Plug

SN: 26600005-UP

1шт.

2

6755-61-7110

Connector

SN: 26600005-UP

1шт.

3

6755-61-7120

Union

SN: 26600005-UP

1шт.

4

6755-61-7140

Connector

SN: 26600005-UP

1шт.

4

6735-21-1970

O-ring

SN: 26600005-UP

1шт.

5

6755-61-7160

Tube

SN: 26600005-UP

1шт.

6

6755-61-7170

Seal, Washer

SN: 26600005-UP

4шт.

7

6755-61-7180

Screw

SN: 26600005-UP

2шт.

Выбрано товаров: 8