Запчасти Komatsu SAA6D107E-2C УПРАВЛ-Е ДВИГАТЕЛЕМLER УПРАВЛ-Е ДВИГАТЕЛЕМLER

Схема запчастей Komatsu SAA6D107E-2C - УПРАВЛ-Е ДВИГАТЕЛЕМLER УПРАВЛ-Е ДВИГАТЕЛЕМLER
1
2
1
2
FIT
1:1
100%

Артикул

Название

Примечание

Количество

|$0

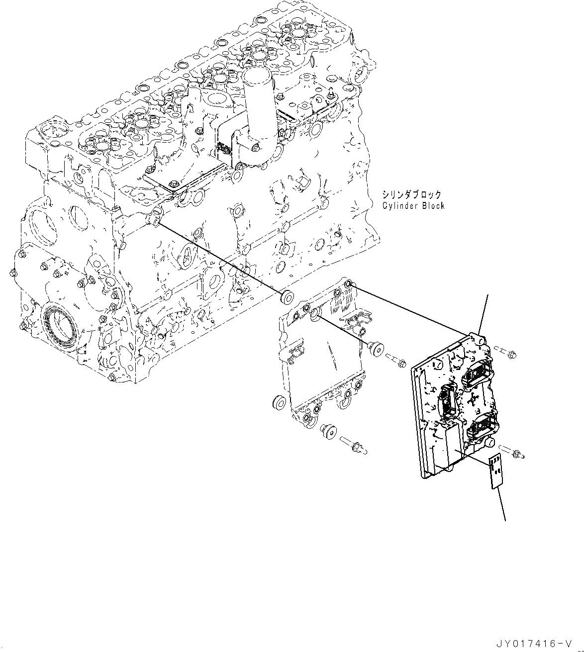
600-487-1400

Controller Assembly

SN: 26600007-UP

1шт.

1

Controller

SN: 26600007-UP

1шт.

2

600-480-3000

Plate

SN: 26600007-UP

1шт.

|$0

600-487-1400

Controller Assembly

SN: 26600007-UP

1шт.

1

Controller

SN: 26600007-UP

1шт.

2

600-480-3000

Plate

SN: 26600007-UP

1шт.

Выбрано товаров: 6