Запчасти Komatsu SAA6D107E-2C УПРАВЛ-Е ДВИГАТЕЛЕМ MODULE УПРАВЛ-Е ДВИГАТЕЛЕМ MODULE

Схема запчастей Komatsu SAA6D107E-2C - УПРАВЛ-Е ДВИГАТЕЛЕМ MODULE УПРАВЛ-Е ДВИГАТЕЛЕМ MODULE
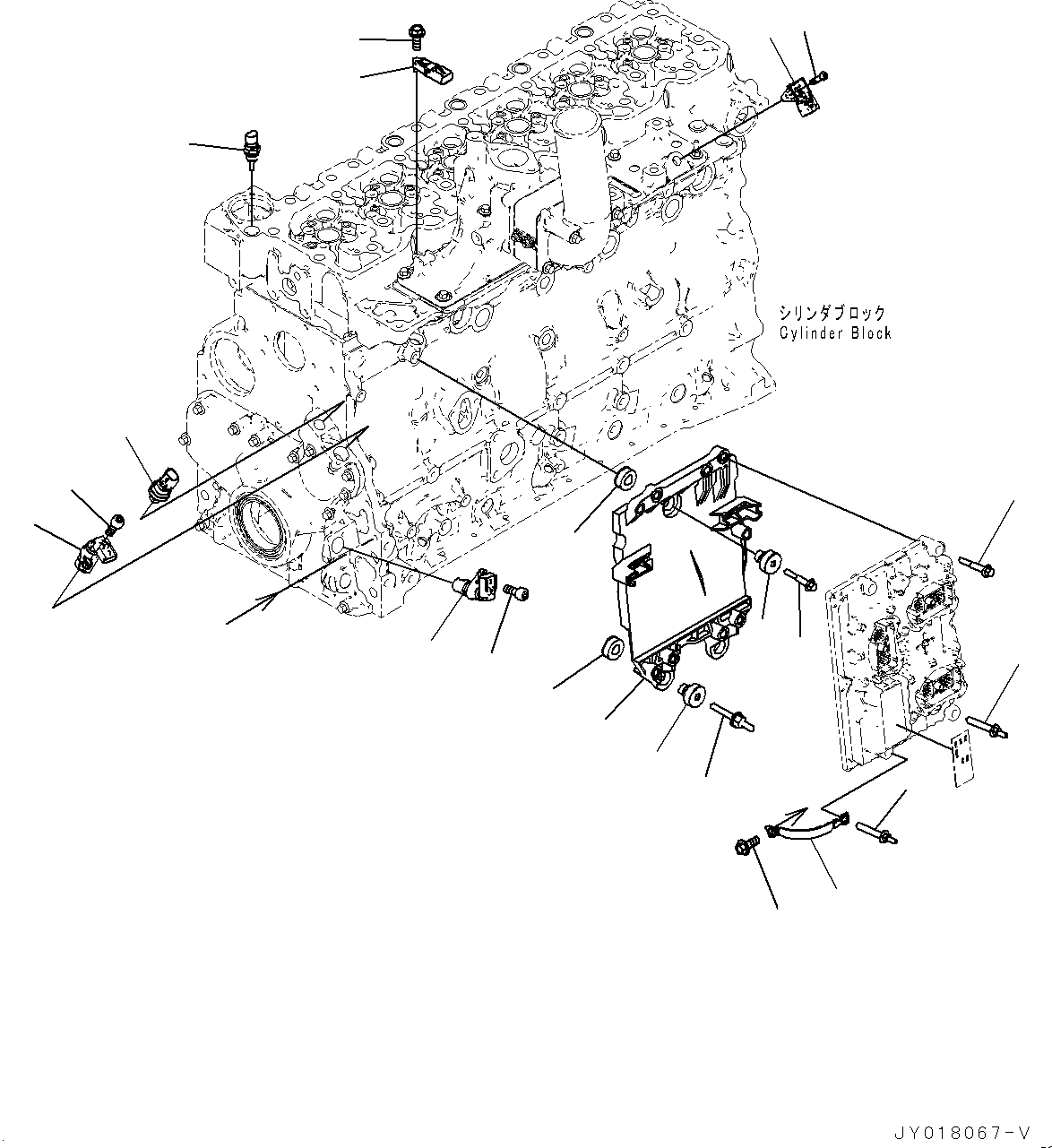
2
1
1
3
3
4
17
16
11
9
9
14
12
7
5
6
5
15
13
10
10
8
a
a
2
1
1
3
3
4
17
16
11
9
9
14
12
7
5
6
5
15
13
10
10
8
a
a
FIT
1:1
100%

Артикул

Название

Примечание

Количество

1

6754-81-9110

Isolator

SN: 26600007-UP

3шт.

2

6755-81-9110

Bracket

SN: 26600007-UP

1шт.

3

6754-81-9130

Isolator

SN: 26600007-UP

3шт.

4

6735-61-2120

Bolt

SN: 26600007-UP

2шт.

5

6745-81-9560

Bolt

SN: 26600007-UP

2шт.

6

01435-60850

Bolt

SN: 26600131-UP

2шт.

6

6736-21-3210

Bolt

SN: 26600007-26600130

2шт.

7

6755-81-9150

Wire

SN: 26600116-UP

1шт.

7

6754-81-9170

Wire

SN: 26600007-26600115

1шт.

8

6216-74-6180

Bolt

SN: 26600007-UP

1шт.

9

6271-81-9201

Sensor Assembly

SN: 26600007-UP

2шт.

9

6271-81-9220

O-Ring

SN: 26600007-UP

1шт.

10

6216-84-9220

Bolt

SN: 26600007-UP

2шт.

11

6744-81-4010

Switch

SN: 26600007-UP

1шт.

12

6261-81-1900

Sensor

SN: 26600007-UP

1шт.

13

6734-71-5520

Bolt

SN: 26600007-UP

1шт.

14

6754-81-2701

Sensor

SN: 26600007-UP

1шт.

15

6754-81-9180

Screw

SN: 26600007-UP

1шт.

16

6261-81-6901

Sensor Assembly

SN: 26600007-UP

1шт.

17

6745-72-6131

Bolt

SN: 26600007-UP

1шт.

1

6754-81-9110

Isolator

SN: 26600007-UP

3шт.

2

6755-81-9110

Bracket

SN: 26600007-UP

1шт.

3

6754-81-9130

Isolator

SN: 26600007-UP

3шт.

4

6735-61-2120

Bolt

SN: 26600007-UP

2шт.

5

6745-81-9560

Bolt

SN: 26600007-UP

2шт.

6

01435-60850

Bolt

SN: 26600131-UP

2шт.

6

6736-21-3210

Bolt

SN: 26600007-26600130

2шт.

7

6755-81-9150

Wire

SN: 26600116-UP

1шт.

7

6754-81-9170

Wire

SN: 26600007-26600115

1шт.

8

6216-74-6180

Bolt

SN: 26600007-UP

1шт.

9

6271-81-9201

Sensor Assembly

SN: 26600007-UP

2шт.

9

6271-81-9220

O-Ring

SN: 26600007-UP

1шт.

10

6216-84-9220

Bolt

SN: 26600007-UP

2шт.

11

6744-81-4010

Switch

SN: 26600007-UP

1шт.

12

6261-81-1900

Sensor

SN: 26600007-UP

1шт.

13

6734-71-5520

Bolt

SN: 26600007-UP

1шт.

14

6754-81-2701

Sensor

SN: 26600007-UP

1шт.

15

6754-81-9180

Screw

SN: 26600007-UP

1шт.

16

6261-81-6901

Sensor Assembly

SN: 26600007-UP

1шт.

17

6745-72-6131

Bolt

SN: 26600007-UP

1шт.

Выбрано товаров: 40