Запчасти Komatsu SAA6D107E-2C ГИДР. НАСОС. ТРУБЫ (№7-) ГИДР. НАСОС. ТРУБЫ

Схема запчастей Komatsu SAA6D107E-2C - ГИДР. НАСОС. ТРУБЫ (№7-) ГИДР. НАСОС. ТРУБЫ
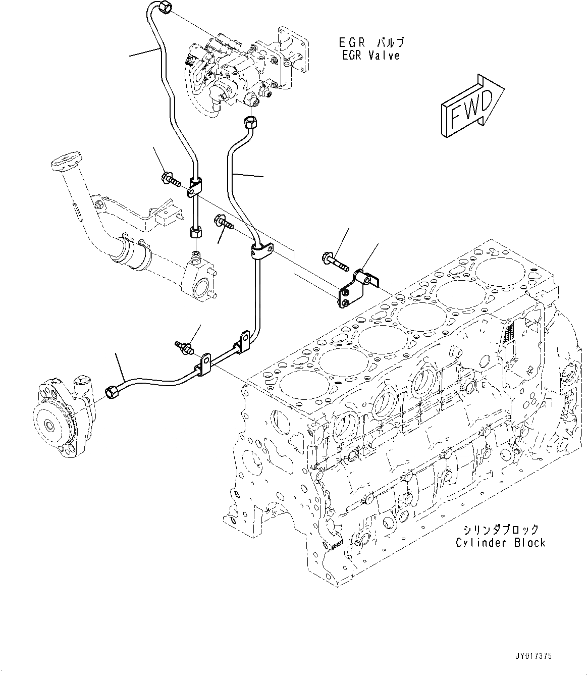
1
2
3
4
5
6
1
5
1
2
3
4
5
6
1
5
FIT
1:1
100%

Артикул

Название

Примечание

Количество

1

6755-51-9830

Tube

SN: 26600007-UP

1шт.

2

6755-51-9840

Tube

SN: 26600007-UP

1шт.

3

6755-51-9850

Brace

SN: 26600007-UP

1шт.

4

6732-61-3170

Bolt

SN: 26600007-UP

1шт.

5

01435-00825

Bolt

SN: 26600007-UP

2шт.

6

6754-21-1910

Bolt

SN: 26600007-UP

2шт.

1

6755-51-9830

Tube

SN: 26600007-UP

1шт.

2

6755-51-9840

Tube

SN: 26600007-UP

1шт.

3

6755-51-9850

Brace

SN: 26600007-UP

1шт.

4

6732-61-3170

Bolt

SN: 26600007-UP

1шт.

5

01435-00825

Bolt

SN: 26600007-UP

2шт.

6

6754-21-1910

Bolt

SN: 26600007-UP

2шт.

Выбрано товаров: 12