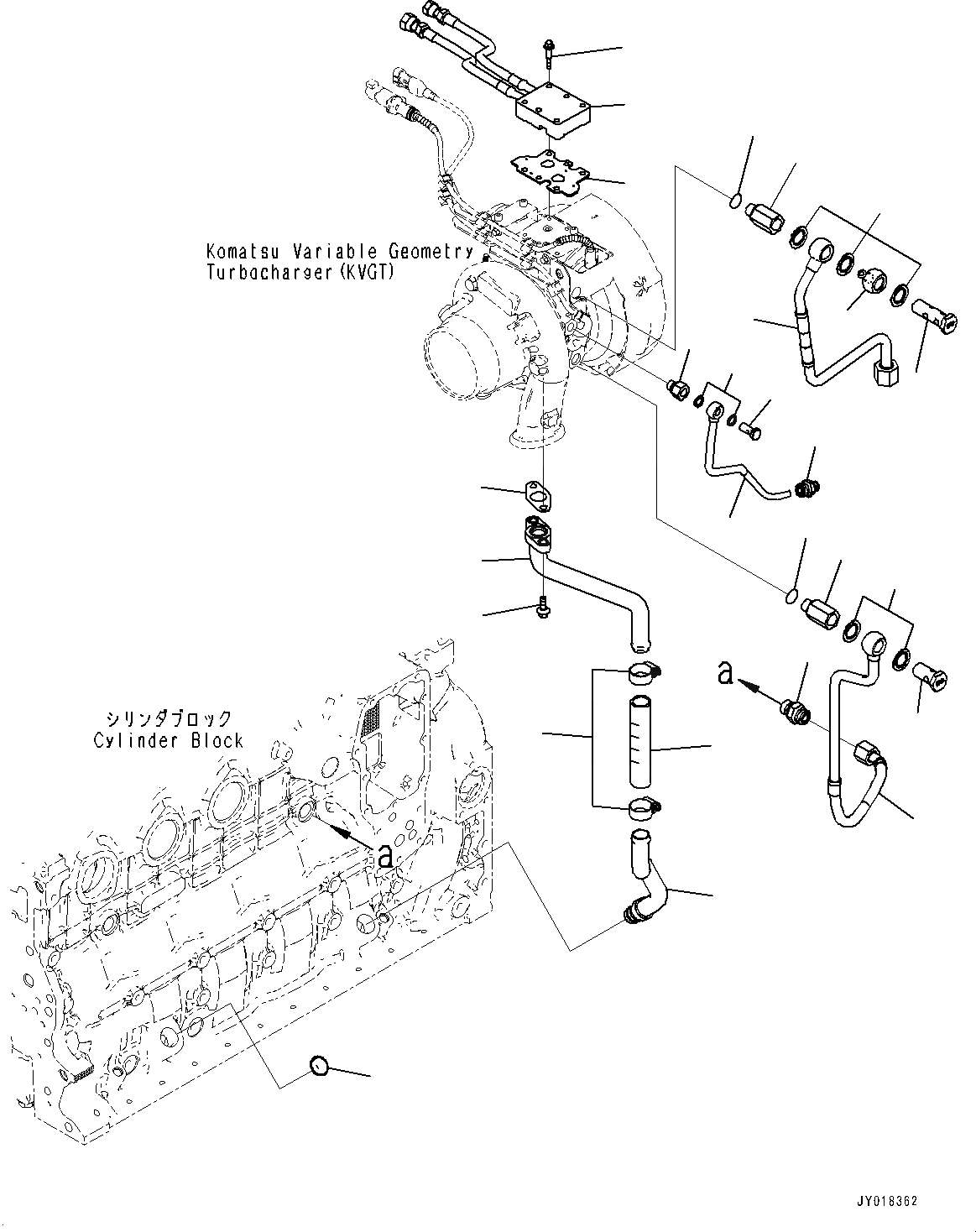
Запчасти Komatsu SAA6D107E-2F KOMATSU РЕГУЛИР. GEOMETRY ТУРБОНАГНЕТАТЕЛЬ (KVGT) МАСЛОПРОВОДЯЩАЯ ЛИНИЯ (№89-) KOMATSU РЕГУЛИР. GEOMETRY ТУРБОНАГНЕТАТЕЛЬ (KVGT) МАСЛОПРОВОДЯЩАЯ ЛИНИЯ

Схема запчастей Komatsu SAA6D107E-2F - KOMATSU РЕГУЛИР. GEOMETRY ТУРБОНАГНЕТАТЕЛЬ (KVGT) МАСЛОПРОВОДЯЩАЯ ЛИНИЯ (№89-) KOMATSU РЕГУЛИР. GEOMETRY ТУРБОНАГНЕТАТЕЛЬ (KVGT) МАСЛОПРОВОДЯЩАЯ ЛИНИЯ
2
5
6
12
20
18
16
11
9
3
4
1
10
8
7
19
17
15
16
14
13
21
22
23
13
14
24
2
5
6
12
20
18
16
11
9
3
4
1
10
8
7
19
17
15
16
14
13
21
22
23
13
14
24
FIT
1:1
100%

Артикул

Название

Примечание

Количество

1

6754-51-8121

Gasket

SN: 26600890-UP

1шт.

2

6755-51-8250

Tube

SN: 26600890-UP

1шт.

3

01435-60820

Bolt

SN: 26600890-UP

2шт.

4

6755-51-8260

Connection

SN: 26600890-UP

1шт.

5

6755-51-8130

Hose

SN: 26600890-UP

1шт.

6

6731-81-8320

Clamp

SN: 26600890-UP

2шт.

7

6755-51-8270

Connector

SN: 26600890-UP

1шт.

8

6755-61-7170

Seal, Washer

SN: 26600890-UP

2шт.

9

6755-51-8290

Tube

SN: 26600890-UP

1шт.

10

6755-61-7180

Bolt, Joint

SN: 26600890-UP

1шт.

11

6745-61-8160

Connector Assembly

SN: 26600890-UP

1шт.

12

6755-51-8150

Union

SN: 26600890-UP

1шт.

|$12

6755-61-8230

Connector

SN: 26600890-UP

2шт.

13

6755-61-8120

O-ring

SN: 26600890-UP

1шт.

14

Connector

SN: 26600890-UP

1шт.

15

6755-61-8180

Connector

SN: 26600890-UP

1шт.

16

6755-61-8140

Seal, Washer

SN: 26600890-UP

5шт.

17

6755-61-8190

Screw

SN: 26600890-UP

1шт.

18

6755-61-8210

Tube

SN: 26600890-UP

1шт.

19

6755-61-8220

Tube

SN: 26600890-UP

1шт.

20

6755-61-8170

Screw

SN: 26600890-UP

1шт.

21

6755-51-8220

Gasket

SN: 26600890-UP

1шт.

22

6755-51-8240

Connection

SN: 26600890-UP

1шт.

23

6745-81-9430

Bolt

SN: 26600890-UP

6шт.

24

6735-21-5530

Plug

SN: 26600890-UP

1шт.

1

6754-51-8121

Gasket

SN: 26600890-UP

1шт.

2

6755-51-8250

Tube

SN: 26600890-UP

1шт.

3

01435-60820

Bolt

SN: 26600890-UP

2шт.

4

6755-51-8260

Connection

SN: 26600890-UP

1шт.

5

6755-51-8130

Hose

SN: 26600890-UP

1шт.

6

6731-81-8320

Clamp

SN: 26600890-UP

2шт.

7

6755-51-8270

Connector

SN: 26600890-UP

1шт.

8

6755-61-7170

Seal, Washer

SN: 26600890-UP

2шт.

9

6755-51-8290

Tube

SN: 26600890-UP

1шт.

10

6755-61-7180

Bolt, Joint

SN: 26600890-UP

1шт.

11

6745-61-8160

Connector Assembly

SN: 26600890-UP

1шт.

12

6755-51-8150

Union

SN: 26600890-UP

1шт.

|$12

6755-61-8230

Connector

SN: 26600890-UP

2шт.

13

6755-61-8120

O-ring

SN: 26600890-UP

1шт.

14

Connector

SN: 26600890-UP

1шт.

15

6755-61-8180

Connector

SN: 26600890-UP

1шт.

16

6755-61-8140

Seal, Washer

SN: 26600890-UP

5шт.

17

6755-61-8190

Screw

SN: 26600890-UP

1шт.

18

6755-61-8210

Tube

SN: 26600890-UP

1шт.

19

6755-61-8220

Tube

SN: 26600890-UP

1шт.

20

6755-61-8170

Screw

SN: 26600890-UP

1шт.

21

6755-51-8220

Gasket

SN: 26600890-UP

1шт.

22

6755-51-8240

Connection

SN: 26600890-UP

1шт.

23

6745-81-9430

Bolt

SN: 26600890-UP

6шт.

24

6735-21-5530

Plug

SN: 26600890-UP

1шт.

Выбрано товаров: 50