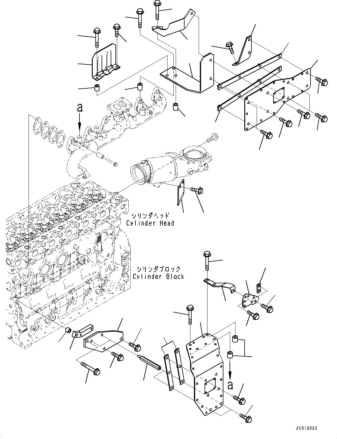
Запчасти Komatsu SAA6D107E-2F ТЕРМОЗАЩИТА (№89-) ТЕРМОЗАЩИТА, ДЛЯ 9AMP. ГЕНЕРАТОР

Схема запчастей Komatsu SAA6D107E-2F - ТЕРМОЗАЩИТА (№89-) ТЕРМОЗАЩИТА, ДЛЯ 9AMP. ГЕНЕРАТОР
28
29
30
35
35
33
32
31
34
26
31
27
24
19
23
25
22
20
21
1
2
10
13
14
13
11
10
3
4
5
6
8
9
18
7
16
15
17
7
12
12
28
29
30
35
35
33
32
31
34
26
31
27
24
19
23
25
22
20
21
1
2
10
13
14
13
11
10
3
4
5
6
8
9
18
7
16
15
17
7
12
12
FIT
1:1
100%

Артикул

Название

Примечание

Количество

1

6755-11-5390

Cover

SN: 26600890-UP

1шт.

2

01435-01016

Bolt

SN: 26600890-UP

2шт.

3

6755-11-5350

Bracket

SN: 26600890-UP

1шт.

4

01435-01025

Bolt

SN: 26600890-UP

2шт.

5

6755-11-5340

Plate

SN: 26600890-UP

1шт.

6

6755-11-5330

Bracket

SN: 26600890-UP

1шт.

7

6167-21-5910

Spacer

SN: 26600890-UP

2шт.

8

01435-01055

Bolt

SN: 26600890-UP

1шт.

9

01435-01050

Bolt

SN: 26600890-UP

1шт.

10

6755-11-5360

Bracket

SN: 26600890-UP

2шт.

11

6755-11-5370

Cover

SN: 26600890-UP

1шт.

12

01435-01020

Bolt

SN: 26600890-UP

4шт.

13

01435-01025

Bolt

SN: 26600890-UP

3шт.

14

01435-01030

Bolt

SN: 26600890-UP

1шт.

15

6755-81-8750

Bracket

SN: 26600890-UP

1шт.

16

144-874-7470

Boss

SN: 26600890-UP

1шт.

17

01435-01045

Bolt

SN: 26600890-UP

1шт.

18

01435-01025

Bolt

SN: 26600890-UP

1шт.

19

6755-11-5420

Plate

SN: 26600890-UP

1шт.

20

6755-11-5410

Plate

SN: 26600890-UP

1шт.

21

175-79-33240

Collar

SN: 26600890-UP

1шт.

22

01435-01055

Bolt

SN: 26600890-UP

1шт.

23

6755-11-5430

Stud

SN: 26600890-UP

2шт.

24

01435-01225

Bolt

SN: 26600890-UP

1шт.

25

01435-00820

Bolt

SN: 26600890-UP

1шт.

26

6755-11-5450

Cover

SN: 26600890-UP

1шт.

27

6755-11-5440

Bracket

SN: 26600890-UP

2шт.

28

01435-01025

Bolt

SN: 26600890-UP

2шт.

29

01435-01020

Bolt

SN: 26600890-UP

4шт.

30

6144-85-6680

Spacer

SN: 26600890-UP

4шт.

31

01435-01045

Bolt

SN: 26600890-UP

4шт.

32

6755-11-5480

Cover

SN: 26600890-UP

1шт.

33

6755-11-5460

Bracket

SN: 26600890-UP

1шт.

|$33

01580-00806

Nut

SN: 26600890-UP

1шт.

34

6755-11-5470

Bracket

SN: 26600890-UP

1шт.

|$35

01580-00806

Nut

SN: 26600890-UP

1шт.

35

01435-00820

Bolt

SN: 26600890-UP

3шт.

1

6755-11-5390

Cover

SN: 26600890-UP

1шт.

2

01435-01016

Bolt

SN: 26600890-UP

2шт.

3

6755-11-5350

Bracket

SN: 26600890-UP

1шт.

4

01435-01025

Bolt

SN: 26600890-UP

2шт.

5

6755-11-5340

Plate

SN: 26600890-UP

1шт.

6

6755-11-5330

Bracket

SN: 26600890-UP

1шт.

7

6167-21-5910

Spacer

SN: 26600890-UP

2шт.

8

01435-01055

Bolt

SN: 26600890-UP

1шт.

9

01435-01050

Bolt

SN: 26600890-UP

1шт.

10

6755-11-5360

Bracket

SN: 26600890-UP

2шт.

11

6755-11-5370

Cover

SN: 26600890-UP

1шт.

12

01435-01020

Bolt

SN: 26600890-UP

4шт.

13

01435-01025

Bolt

SN: 26600890-UP

3шт.

14

01435-01030

Bolt

SN: 26600890-UP

1шт.

15

6755-81-8750

Bracket

SN: 26600890-UP

1шт.

16

144-874-7470

Boss

SN: 26600890-UP

1шт.

17

01435-01045

Bolt

SN: 26600890-UP

1шт.

18

01435-01025

Bolt

SN: 26600890-UP

1шт.

19

6755-11-5420

Plate

SN: 26600890-UP

1шт.

20

6755-11-5410

Plate

SN: 26600890-UP

1шт.

21

175-79-33240

Collar

SN: 26600890-UP

1шт.

22

01435-01055

Bolt

SN: 26600890-UP

1шт.

23

6755-11-5430

Stud

SN: 26600890-UP

2шт.

24

01435-01225

Bolt

SN: 26600890-UP

1шт.

25

01435-00820

Bolt

SN: 26600890-UP

1шт.

26

6755-11-5450

Cover

SN: 26600890-UP

1шт.

27

6755-11-5440

Bracket

SN: 26600890-UP

2шт.

28

01435-01025

Bolt

SN: 26600890-UP

2шт.

29

01435-01020

Bolt

SN: 26600890-UP

4шт.

30

6144-85-6680

Spacer

SN: 26600890-UP

4шт.

31

01435-01045

Bolt

SN: 26600890-UP

4шт.

32

6755-11-5480

Cover

SN: 26600890-UP

1шт.

33

6755-11-5460

Bracket

SN: 26600890-UP

1шт.

|$33

01580-00806

Nut

SN: 26600890-UP

1шт.

34

6755-11-5470

Bracket

SN: 26600890-UP

1шт.

|$35

01580-00806

Nut

SN: 26600890-UP

1шт.

35

01435-00820

Bolt

SN: 26600890-UP

3шт.

Выбрано товаров: 74