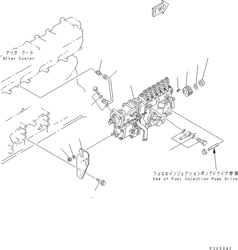
Запчасти Komatsu SAA6D108E-2A-8 КРЕПЛЕНИЕ ТОПЛ. НАСОСА ДВИГАТЕЛЬ

Схема запчастей Komatsu SAA6D108E-2A-8 - КРЕПЛЕНИЕ ТОПЛ. НАСОСА ДВИГАТЕЛЬ
1
1
1
1
2
3
4
5
6
7
8
9
10
11
FIT
1:1
100%

Артикул

Название

Примечание

Количество

1

6222-73-1111

INJECTION PUMP ASS'Y,(SEE FIG.A4010-B2D1)

SN: 34724-UP

1шт.

1

0

INJECTION PUMP ASS'Y,(SEE FIG.A4010-B2D1)

SN: 19030-32723

1шт.

1

04010-00519

KEY

SN: 19030-UP

1шт.

2

0

GEAR

SN: 19030-UP

1шт.

3

01583-01811

NUT

SN: 19030-UP

1шт.

4

6162-33-3940

WASHER

SN: 19030-UP

1шт.

5

6221-71-1880

BRACKET

SN: 19030-UP

1шт.

6

01435-01020

BOLT

SN: 19030-UP

2шт.

7

01582-01008

NUT

SN: 19030-UP

1шт.

8

01643-31032

WASHER

SN: 19030-UP

1шт.

9

6141-71-1710

JOINT

SN: 19030-UP

1шт.

10

6221-11-4390

TUBE

SN: 19030-UP

1шт.

11

07213-50710

CONNECTOR

SN: 19030-UP

1шт.

Выбрано товаров: 13