Запчасти Komatsu SAA6D108E-2A-C ГЕНЕРАТОР (A) (С НЕ ЗАКАЛЕНН. ШКИВ) (ВНУТР. ЧАСТИ)(№-) ДВИГАТЕЛЬ

Схема запчастей Komatsu SAA6D108E-2A-C - ГЕНЕРАТОР (A) (С НЕ ЗАКАЛЕНН. ШКИВ) (ВНУТР. ЧАСТИ)(№-) ДВИГАТЕЛЬ
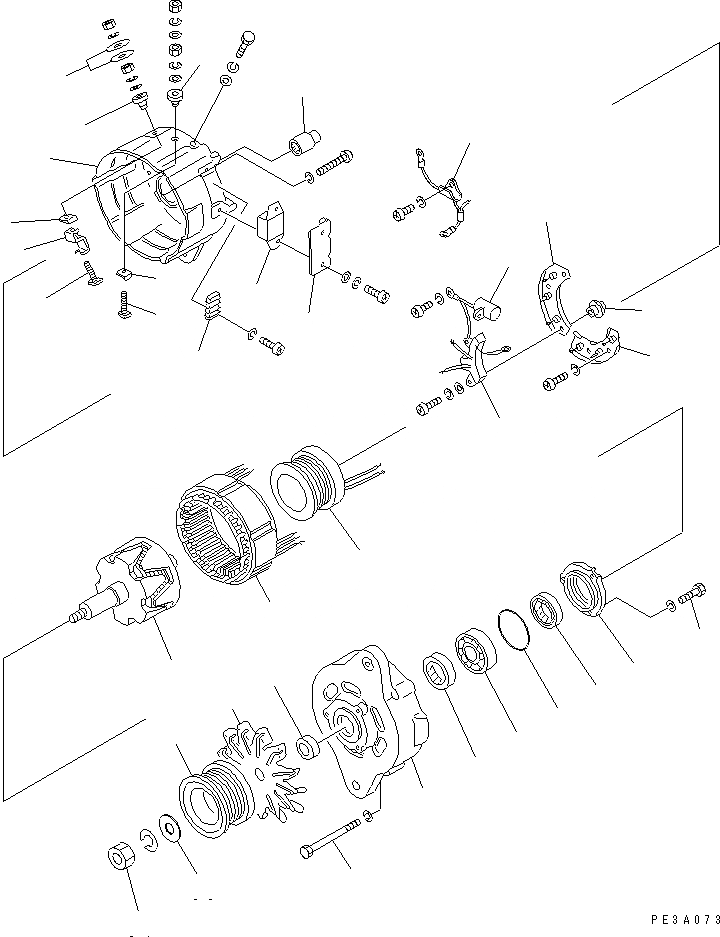
1
2
3
4
5
6
7
8
9
10
11
12
13
14
15
16
17
18
19
20
21
22
23
24
24
25
26
27
28
29
30
31
32
33
34
FIT
1:1
100%

Артикул

Название

Примечание

Количество

|1

600-821-9810

ALTERNATOR A. (50A)

SN: 22226-UP

1шт.

|$$2

THE SAWAFUJI DENKI PART NUMBER IS THAT SD IS REMOVED FROM KOMATSU PART NUMBER LISTED BELOW.

-1шт.

1

SD1211-46000X0

STATOR ASS'Y

SN: 22226-UP

1шт.

|2

SD1230-19400X0

REAR BRACKET ASS'Y

SN: 22226-UP

1шт.

2

SD2240-20610X0

BRACKET,REAR

SN: 22226-UP

1шт.

3

SD1235-07900X0

HEAT SINK ASS'Y(+)

SN: 22226-UP

1шт.

4

SD1235-08000X0

HEAT SINK ASS'Y(-)

SN: 22226-UP

1шт.

5

SD8140-0603510

BOLT

SN: 22226-UP

1шт.

6

SD3220-40000X0

SUPPORT

SN: 22226-UP

1шт.

7

SD4215-00701X0

INSULATOR

SN: 22226-UP

1шт.

8

SD4041-05710X0

BUSHING

SN: 22226-UP

1шт.

9

SD5030-05200X0

WASHER

SN: 22226-UP

2шт.

10

SD8140-0503010

BOLT

SN: 22226-UP

1шт.

11

SD4215-00800X0

INSULATOR

SN: 22226-UP

1шт.

12

SD4041-05700X0

BUSHING

SN: 22226-UP

1шт.

13

SD6060-11920X0

CONDENSER

SN: 22226-UP

1шт.

14

SD1235-07601X0

RESISTOR ASS'Y

SN: 22226-UP

1шт.

15

SD1239-03600X0

CONNECTOR ASS'Y

SN: 22226-UP

1шт.

16

SD4041-03700X0

BUSHING

SN: 22226-UP

2шт.

17

SD1239-04310X0

CHARGE LAMP ASS'Y

SN: 22226-UP

1шт.

18

SD6206-00200X0

BEARING,ROLLER

SN: 22226-UP

1шт.

19

SD1291-00300X0

REGULATOR

SN: 22226-UP

1шт.

20

SD3221-23220X0

COVER

SN: 22226-UP

1шт.

21

SD1251-00600X0

COIL ASS'Y

SN: 22226-UP

1шт.

22

SD1221-16700X0

ROTOR ASS'Y

SN: 22226-UP

1шт.

|23

SD1240-07400X0

FRONT BRACKET ASS'Y

SN: 22226-UP

1шт.

23

SD2242-09010X0

BRACKET,FRONT

SN: 22226-UP

1шт.

24

SD6410-02000X0

SEAL,OIL

SN: 22226-UP

2шт.

25

SD6206-00320X0

BEARING,BALL

SN: 22226-UP

1шт.

26

SD4142-00900X0

O-RING

SN: 22226-UP

1шт.

27

SD2202-02200X0

COVER,BEARING

SN: 22226-UP

1шт.

28

SD5010-21500X0

BOLT

SN: 22226-UP

3шт.

29

SD5010-04300X0

BOLT

SN: 22226-UP

3шт.

30

SD3600-17300X0

COLLAR

SN: 22226-UP

1шт.

31

SD3448-00440X0

FAN

SN: 22226-UP

1шт.

32

SD2080-26400X0

PULLEY,NON HARDENING

SN: 22226-UP

1шт.

33

SD3000-07800X0

WASHER

SN: 22226-UP

1шт.

34

SD8624-1830010

NUT

SN: 22226-UP

1шт.

Выбрано товаров: 38