Запчасти Komatsu SAA6D108E-2B-N8 КЕРАМИЧ. ГЛУШИТЕЛЬ КОМПОНЕНТЫ (С КЕРАМИЧ. ГЛУШИТЕЛЬ) (ТУННЕЛЬН. СПЕЦ-Я.)(№-) ДВИГАТЕЛЬ

Схема запчастей Komatsu SAA6D108E-2B-N8 - КЕРАМИЧ. ГЛУШИТЕЛЬ КОМПОНЕНТЫ (С КЕРАМИЧ. ГЛУШИТЕЛЬ) (ТУННЕЛЬН. СПЕЦ-Я.)(№-) ДВИГАТЕЛЬ
1
2
3
4
5
1
2
3
4
5
FIT
1:1
100%

Артикул

Название

Примечание

Количество

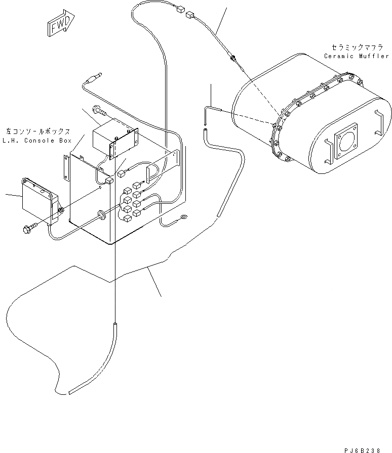
1

6138-82-5510

MONITOR ASS'Y

SN: 32610-UP

1шт.

2

6138-82-5550

SENSOR,PRESSURE

SN: 32610-UP

1шт.

3

6138-12-5580

HOSE

SN: 32610-UP

1шт.

4

6221-11-5750

TUBE

SN: 32610-UP

1шт.

5

6138-82-5561

SENSOR,EXHAUST TEMPERATURE

SN: 32610-UP

1шт.

1

6138-82-5510

MONITOR ASS'Y

SN: 32610-UP

1шт.

2

6138-82-5550

SENSOR,PRESSURE

SN: 32610-UP

1шт.

3

6138-12-5580

HOSE

SN: 32610-UP

1шт.

4

6221-11-5750

TUBE

SN: 32610-UP

1шт.

5

6138-82-5561

SENSOR,EXHAUST TEMPERATURE

SN: 32610-UP

1шт.

Выбрано товаров: 10