Запчасти Komatsu SAA6D114E-2 ТЕРМОЗАЩИТА ДВИГАТЕЛЬ

Схема запчастей Komatsu SAA6D114E-2 - ТЕРМОЗАЩИТА ДВИГАТЕЛЬ
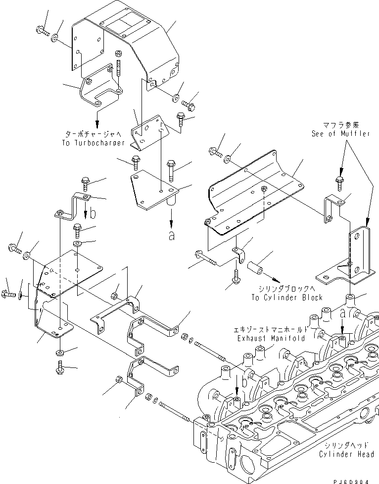
1
1
2
3
3
4
5
6
7
7
7
7
8
8
8
8
9
10
11
12
13
14
15
16
16
17
17
18
19
20
21
22
23
24
25
FIT
1:1
100%

Артикул

Название

Примечание

Количество

1

6743-81-8450

BRACKET

SN: .-UP

2шт.

2

6743-81-8460

BRACKET

SN: .-UP

1шт.

3

01581-01008

NUT

SN: .-UP

4шт.

4

6743-81-8470

BRACKET

SN: .-UP

1шт.

5

01435-01016

BOLT

SN: .-UP

1шт.

6

6743-81-8420

COVER

SN: .-UP

1шт.

7

01435-00820

BOLT

SN: .-UP

7шт.

8

6201-81-6560

SPACER

SN: .-UP

7шт.

9

6743-81-8480

PLATE

SN: .-UP

1шт.

10

01435-01016

BOLT

SN: .-UP

1шт.

11

01435-01055

BOLT

SN: .-UP

1шт.

12

6743-81-8430

BRACKET

SN: .-UP

1шт.

13

01435-01025

BOLT

SN: .-UP

2шт.

14

6743-81-8440

BRACKET

SN: .-UP

1шт.

15

6743-81-8410

COVER

SN: .-UP

1шт.

16

01435-00820

BOLT

SN: .-UP

4шт.

17

6201-81-6560

SPACER

SN: .-UP

4шт.

18

6741-11-5310

COVER

SN: .-UP

1шт.

19

6050-71-5710

BRACKET

SN: .-UP

2шт.

20

01435-00816

BOLT

SN: .-UP

2шт.

21

6138-81-8660

SPACER

SN: .-UP

2шт.

22

01435-00855

BOLT

SN: .-UP

2шт.

23

6210-21-5440

BRACKET

SN: .-UP

1шт.

|$23

01584-00806

NUT

SN: .-UP

1шт.

24

01435-00820

BOLT

SN: .-UP

1шт.

25

154-61-16570

WASHER

SN: .-UP

1шт.

Выбрано товаров: 26