Запчасти Komatsu SAA6D114E-2A-A ВОЗД. СОЕДИН-Е ДВИГАТЕЛЬ

Схема запчастей Komatsu SAA6D114E-2A-A - ВОЗД. СОЕДИН-Е ДВИГАТЕЛЬ
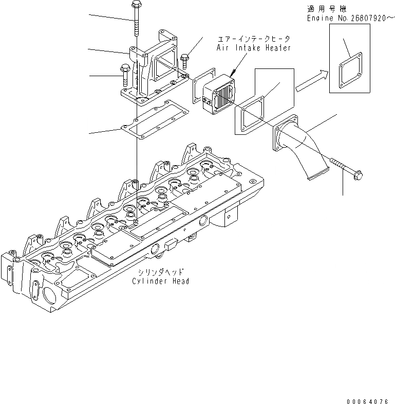
1
2
3
4
5
6
7
7
8
FIT
1:1
100%

Артикул

Название

Примечание

Количество

1

6743-11-4310

CONNECTOR

SN: 26800003-UP

1шт.

2

1307687H1

GASKET (K1)

SN: 26800003-UP

1шт.

3

6742-01-2441

BOLT

SN: 26801182-UP

2шт.

3

0

BOLT

SN: 26800003-26801181

2шт.

4

01435-60850

BOLT

SN: 26833328-UP

3шт.

4

0

BOLT

SN: 26800003-26833327

3шт.

5

6732-21-6630

BOLT

SN: 26800003-UP

1шт.

6

6743-11-4970

TUBE

SN: 26800003-UP

1шт.

7

6754-11-4120

GASKET

SN: 26807920-UP

1шт.

7

0

GASKET (K1)

SN: 26800003-26807919

1шт.

8

6742-01-2441

BOLT

SN: 26801182-UP

4шт.

8

0

BOLT

SN: 26800003-26801181

4шт.

Выбрано товаров: 12